Heathkit GC-1000 Most Accurate Clock

© Brooke Clarke 2017

Heathkit GC-1000
        Most Accurate Clock just after power up
Background
Operation
Manuals
Functional Test
    15 MHz RF Problem as received
    1 kHz Modulation
    100 Hz Modulation
    IF Bandwidth
    AGC
Receiver Board
    Local Oscillators
Micro Controller Upgrade
Tone Board
Display Board
Mother Board
Re-Capping
Hi Spec
Battery Backup
3.6 MHz Output
Video
Comments by John Gibbons
Heathkit ID Cards
List of Heathkits
Related
    GC-1005
    GCW-1001 Slave
   
Links

Background

I built one of these with the RS-232 option many decades ago.  It a three channel HF receiver (5, 10 & 15 MHz) that receives either the U.S. or Hawaii WWVH time and frequency broadcasts and displays the time to a tenth of a second.  It also has a discipline function that tweaks a 3.6 MHz crystal oscillator.  So it could be called an HFDO, which was available decades prior to any GPSDO like the Thunderbolt or Stanford Research PRS-10.  The PST 1020 is a newer WWV/WWVH clock which is faster to acquire the time.

There are other radio clocks that work with the 60 kHz transmissions from WWVB/WWVBH that are often called atomic clocks.  While the HP 117 used the 60 kHz for a phase reference to determine the frequency accuracy of a house standard, it was not used to discipline an oscillator.

Operation

In the photo at the top of the page the clock has just been powered up and is searching for the signal using only the 53" whip antenna.  When the speaker is turned on you can hear the signal but the clock is not capturing the data stream.  Maybe the signal is too weak, or the receiver needs to be aligned?  It's also possible that the "8" digits are an artifact of the camera exposure.

Manuals

Functional Test

Using the HP 8648A signal generator, with the 1E2 modulation option, it's possible to generate an RF signal at 5, 10, or 20 MHz with either 100 or 1000 Hz modulation (and a choice of sine, square and other 100% AM waveform).

There is an audio file that could be used to AM modulate the signal generator and should cause the clock to display the encoded time.  A better way would be to have a PIC micro controller clock that outputs the 100 & 1000 time code data as audio to feed the AM input of the sig gen.

15 MHz RF Problem as received

The GC-1000 will respond to the 100 Hz modulation at 5 or 10 MHz but not 15 MHz.
Using the Rigol scope on the LO transistor, Q305 shows strong oscillation at 5 & 10 Mhz but very weak oscillation at 15 MHz.
DC checks of the crystal selection circuitry does not show any obvious problems.
Guessing that the problem might be: (1) crystal that's not too active or (2) a weak Q305 (2N5770) transistor, (3) too close to the bandwidth of the scope or some combination of these.

1 kHz Modulation

It does not respond to the 1000 Hz modulation at any RF frequency.
After swapping the two 567 tone decoder ICs (U402, U403), no tone can be detected, even tried adjusting the pots.
BUT . .  after returning them to the original locations testing at 5 MHz showed the yellow data LED will light with 100 Hz modulation and the capture LED with 1 kHz modulation.  But after trying 10 Mhz, no luck on either 100 or 1000 Hz modulation, and coming back to 5 Mhz now only the 100 Hz tone decoder is working.

At 5 Mhz after re-capping the red AM LED is off at -132 dBm and on solid at -120 dBm (in TEST mode). This required a slight tweak of the 1000 Hz pot.  This may be a better way to set the tone board pots than using the internal calibration which probably has a strong audio signal.
Note: the green Capture LED has a very long time constant.  It takes 12 seconds after applying -110 dBm @ 5 MHz to turn on, and 12 seconds to turn off after the RF is turned off.

At 10 Mhz after re-capping it takes 15 seconds for the green Capture LED to turn on after applying -100 dBm and just a few seconds to turn off.  But the turn off time seems to vary between a few seconds and almost a minute.

At 15 Mhz after re-capping it takes -90 dBm to get the red AM light to come on in TEST mode.  BUT, after switching to normal mode the green Capture LED does not turn on.

100 Hz Modulation

At 5 Mhz the yellow data LED is out at -111 dBm, starts to flicker at -103 dBm, and is on solid at -101 dBm.

At 5 Mhz After re-capping yellow data LED is out at -111 dBm, and on solid at -109 dBm
At 10 Mhz it takes -50 dBm to turn on the yellow light, after tweaking the 100 Hz pot at 15 Mhz it's now -109 dBm
At 15 Mhz it takes -30 dBm to turn on the yellow light, after tweaking the 100 Hz pot -94 dBm.

IF Bandwidth

Measured by feeding a signal modulated with 100 Hz square wave at enough power to have a solid yellow LED at nominal band center.
Band
Power
dBm
IF low
kHz
IF Hi
Khz
Total IF
BW kHz
LO Offset
kHz
5
-116
-3.7
+3.0
6.7
-0.633
10
-110
-3.5
+1.5
5.0
-2.195
15
-93
-4.5
+0.4
4.9
-3.050

It looks like the LO crystals for 10 & 15 Mhz are not centering the signal in the IF passband.  This may mean that it matters which channel is used to tweak the tone board pots.  For now I'll leave it with the 5 MHz channel well centered since that's the channel that works best at night.

The total IF bandwidth should be the same for all the channels.  That it's not indicates that my method of using a low flash rate for the yellow LED could be improved.

AGC

When it's back together use the HP 8648A signal generator to vary the input power and watch:

Receiver Board

Tests related to re-capping:
Photo just prior to testing AGC electrolytic caps C348 & C359
Heathkit
                  GC-1000 Most Accurate Clock Receiver board top


Using the ESR-Cap meter to check the electrolytic caps
Compare to new Capacitors
Green is after re-caping.
C#
Cap
uF

Nominal
ESR
Meas
ESR
Meas
Cap
C301
100
0.7
4
0.22
3.6
156
C348
4.7
na
20
4
3.58
4.9
C353
10
6
7
4.2
11.9
11.17
C354
10
6
58
4.2
6.85
9.29
C355
220
.5
3
0.4
122
211
C357
220
.5
1
1.1
180
177
C359
4.7
na
14.7
4.3
3.87
4.67

There was a question about different versions of receiver board in relation to the crystal loading capacitors.
GC-1000 Receiver board p/n: 85-2795-1
Heathkit
                GC-1000 Receiver board Front

Heathkit
                GC-1000 Receiver board

You can see the three crystal cans at the bottom center.
The loading caps have been installed on the back
There are three caps on the back.  They are not the correct values:
Measured     Nominal      Error
5,455,620 -   5,455,000 = 620 Hz
10,455,610 - 10,455,000 = 610 Hz
15,455,770 - 15,455,000 = 770 Hz

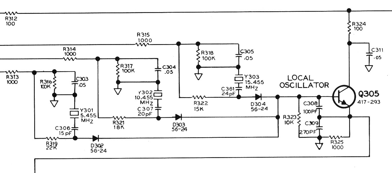
Local Oscillators

After some discussion about the loading caps for the three LO crystals I checked my GC-1000 LO frequencies by connecting the antenna and one of the rear panel BNC connectors ground to the 4395A in spectrum analyzer mode.
As long as the LO keeps the WWV carrier and sidebands inside the IF bandwidth it should not matter.  The tone frequency that's output will depend only on the AM input signals.

Local Crystal Oscillator schematic (click on image for larger version)
Q305 is an 2N5770 NPN Transistor
Heathkit
                  GC-1000 Most Accurate Clcok Local Crystal Oscillator
                  schematic
5.455 MHz LO Common anodes of D302, D303 & D304, base of Q305
Heathkit
                GC-1000 Most Accurate Clock 5.455 MHz LO Common anodes
                of D302, D303 & D304, base of Q305
10.455 MHz LO Common anodes of D302, D303 & D304, base of Q305
Heathkit
                GC-1000 Most Accurate Clock 10.455 MHz LO Common anodes
                of D302, D303 & D304, base of Q305
15.455 MHz LO Common anodes of D302, D303 & D304, base of Q305
Heathkit
                GC-1000 Most Accurate Clock 15.455 MHz LO Common anodes
                of D302, D303 & D304, base of Q305
5.455 MHz LO
Between the time the signal was centered and the graphics were saved the LO drifted a couple of Hz.
Heathkit
                GC-1000 5 MHz LO coming out antenna
10.455 MHz LO
Heathkit
                GC-1000 10.455 MHz LO coming out antenna
15.455 MHz LO as received not present
after recapping OK
Heathkit
                GC-1000 15 MHz LO coming out antenna
3.6 Mhz master Oscillator
Heathkit
                GC-1000 3.6 MHz master Oscillator
Since the bandwidth of the 100 Hz PLL is narrow it may be that using the built-in tone generator for tuning is a mistake.  It may be better to use a signal generator or an off the air signal to peak the tone board decoders.

Micro Controller Upgrade

I think the micro controller is the Mostek MK3870/22, i.e. it has 2048 bytes of ROM and 64 bytes of RAM.  The /44 part has twice the ROM so might be one way to upgrade the uC.

Note the 3870 (either the clock or the RS-232 chip) use a 3.6 MHz clock.

As received circa 1985 the 3.6 MHz output was off by about 70 Hz using p/n 444-200.  Heathkit sent a new micro controller p/n 444-293 and that fixed the problem, i.e. the 3.6 MHz output measured 3,600,000.0 Hz.  I wrote a letter to Heathkit thanking them and pointing out that the DST/Standard Time switch was in error. 

A modern micro controller, like one of the PIC uCs could be programmed with a better algorithm, like the PST 1020 or an even better one.  This could be done by making a PCB that would plug into the existing U205 socket.  Note the existing 3870 is a 40 pin IC and the replacement PIC will probably need to have that many pins.
A Mil-max DIP or SIP header can be used to make the interconnection.
Pin
U203
Main
U401
RS-232
1


2
3.6 MHz in
3
Display Digit
Mode
Mode
4
Display Digit
Mode
Mode
5
Display Digit
Mode
Mode
6
Display Digit
Mode
Mode
Test Tone output (TP1-33k-TP2)
7


8
DIP sw
RS-232 Baud
9
DIP sw RS-232 Baud
10
DIP sw RS-232 Baud
11
DIP sw Year
12
DIP sw Year
13
DIP sw Year
14
DIP sw Year
15
DIP sw Year
16
Display Add
Osc Trim
Mode
17
Display Add
Osc Trim
Mode
18
Display Add
Osc Trim
Mode
19
Display Add
Osc Trim
Mode
20
Ground
21


22
Display Segment

23
Display Segment
24
Display Segment
25
Audio on/off

26
Ground (clock)
+5 (RS-232)
27
Test L

28
1 kHz tone

29
/Stop

30
AGC

31
Band Switch

32
Band Switch
33
Band Switch RS-232 # Stop bits
34
Display Segment
35
Display Segment
36
Display Segment Ext Int input
37
Display Segment RS-232 TxD (output)
38
100 Hz tone
RS-232 RxD (input)
39
/Reset
40
+5

Tone Board

This clock has the optional RS-232 parts.  At the top of the tone decoder board there's a 4-pin header where one pin has been cut away and a pin is inserted into the mating cable plug so they can only mate in one orientation.  The three wires are Ground, TxD and RxD.  The two pots at the upper right are the 1000 (or 1200) Hz and 100 Hz tone center frequency adjustments.  The micro controller used on this board is identical to the one on the main board.  Pin 26 determines if the uC is the main clock (gnd) or the RS-232 interface and audio test tone generator (+5).

Heathkit
                  GC-1000 Tone Decoder board

Note this board has the 444-293 micro controller,
i.e. the new one that's more accurate.
ESR-Cap measurements on Tone Board electrolytic caps
C#
Application
Cap
uF
Nominal
ESR
Meas
ESR
Meas
Cap
C401
5V PS
100
1
174
0.30
44
108
C404 Tant
U401 de-coup
3.3
na
3.6
4.5
68
70.5
C405
U401 de-coup 10
6

7.3
1.57
8.4
10.2
C412
U402 PLL
1
na
86
8.9
0.69
0.99
C414
U402 PLL
10
6
97
4.2
4.7
10.02
C421 Tant
U403 PLL
2.2
1
9.0
3.9
3.34
2.92
C422
U404D Op Amp
0.33
na
nr
29
nr
0.33
C424
R451 de-coup 150
1 30
0.37
41.5
217
C425 Tant
Q403 AGC
2.2
1
10.5
9.3
3.56
2.17
Note:  My manual Tone Baord parts list (pg 21) is missing C401 and C404.

Heathkit
                  GC-1000 Most Accurate Clock Tone Decoder shcematic

Display Board

The display board plugs into the motherboard and has the Tone Board connected to its back side.
Display Board Front
Heathkit
                  GC-1000 Most Accurate Clock Display Board Front
C102 (1000 uF)
meas 0.15 Ohms & 1152 uF
meas 0.14 Ohms & 1039 uF

Mother Board


Motherboard
Heathkit
                  GC-1000 Most Accurate Clock Mother Board Front
The micro controller is the newer 444-293 that's better
at disciplining the 3.6 MHz oscillator.
Electrolytic Caps
C# Cap
uF
Nominal
ESR
Meas
ESR
Meas
Cap
C203
2200
0.1
0.7
0.04
1840
2920
C205
1000
0.2
2.2
0.12
1458
2414
C206
1000
0.2
2.1
0.13
458
1022
C208
220
0.5
9.5
0.15
165
222
C212
22
4
----
0.85
0.05
24.9
C213
3.3
na
2.1
0.16
470
1018

Mystery Cap on Bottom of Mother board
Mystery Cap
                  on Bottom of Heathkit GC-1000 Most Accurate Clock
                  Mother board
The cap with the sleeving (C224)  is in the manual, but the small cap marked "47" is not.
Note the open connection is in a straight line with the transformer mounting hole and a ventilation hole in the PCB.  If you look at the overall photo just above you can see these holes and Q205 collector.
I have left the "47" cap disconnected, just as it is in the photo.

It's connected between the collector of Q205 (the same as the bases of Q206 & Q207 which are the totem pole outputs for the 3.6 MHz signal).  Most likely there was an oscillation and the cap is there to stop it.  Note the capactive reactance is about 970 Ohms at 3.6 MHz so will not effect that signal but would effect signals above 36 MHz.

This (C225) cap is only found in factory assembled clocks, not in the kits hence it's not in the assembly manual.

Re-Capping

The following are power supply or decoupling caps where low ESR electrolytics would be good:
C102, C203, C205, C206, C208, C212, C213, C301, C354, C357, C401, C404, C405, C424.
The following are caps where low leakage is important and so either a plastic or low leakage electrolytic would be good:
C348, C353, C355, C359, C412, C414, C421, C422,C425.

Some 3-terminal linear voltage regulators might oscillate if the capacitors used with them have too high or too low ESR values.
U201 +8 V out is a ST 78M08 "No output cap needed for stability, but does improve transient response"
U202 +5 V out is a Fairchild UA7805 "No output cap needed for stability, but does improve transient response"

But in this case there are no cap restrictions.

To remove the caps one lead was heated with a fine point soldering iron and the case tilted to pull that lead out of the PCB.  Then the other lead was heated and the case tipped in the opposite direction, pulling that lead out a little.  The process was repeated a few times to completly remove the cap.  Then solder wick and liquid flux were used to suck the solder out of the hole.  Sometimes it was necessary to add new solder and flux both the PCB and solder wick to get it to work well.

I misplaced the 4-40 screw that connects the telescoping antenna to the mounting bracket on the receiver and the first time I tried the receiver used a longer screw.  This had the effect of lifting the receiver board up out of it's socket.  After cutting off the screw and re-tapping the threads in the bottom of the antenna everything fit toghther properly.  Also there was a problem in getting the display board to seat fully that was fixed by using a screwdriver to press directly on the socket.

Hi Spec

Once the above board seating problems were overcome the clock was allowed to run and on my way to bed noticed that there were two green LED lit (Capture and Hi Spec) and the yellow Data LED was blinking.  The time shown had the correct minute and second values but was set for some random time zone.  Note this is with the clock indoors using the telescoping antenna.
Heathkit GC-1000 Most
          Accurate Clock in Hi Spec mode
The improvement is solely due to the recapping.  Although I have spare 567 Phase Lock Loop and Op Amp ICs they have not been installed.

The Hi Spec light seems to come on shortly after sunset at 5 MHz.  Every day during the night it's in Hi Spec mode for a number of hours.

The next thing to do is repeat the functional test at 5, 10 & 15 MHz, then see if the IF bandwidth can be determined by changing the carrier frequency up and down while plotting the power level for threshold sensitivity.

Battery Backup

The DC Power plug has a positive polarity center.  It's 5.5 mm OD and has a 0.082" central hole (2.08 mm). (Measuring)
This is commonly called a 2.1x5.5mm DC Power Plug.

I'd like to move the clock but not have it loose time or the 3.6 MHz VCO trim setting so will modify the backup cable to have Power Pole connectors.  First I checked the max input voltage spec for U202 and it's 35 Volts.  That way I can use one of the 257477BA-PP battery adapters that holds 10 "D" batteries (15 Volts at full charge for alkaline batteries).  For backup Alkaline cells are better than rechargeable cells since they hold their charge for a much longer time (up to 10 years for the newest ones).
Heathkit GC-1000 Most
          Accurate Clock Backup Battery

3.6 MHz Output

This is a WWV Disciplined Oscillator (WWVDO or HFDO).  The motherboard micro controller drives a D/A converter that drives a crystal oscillator.
When the Hi Spec LED is on the tuning voltage is set.
Heathkit GC-1000
        Most Accurate Clock 3.6 MHz Output spectrum
There is a lot of distortion on the 3.6 Mhz output.  Don't know if that's normal or just the way it is.

Looked out to 500 MHz and did not see any spurious oscillations, so the mystery cap (C225) is not needed to suppress them.
























The 3.6 Mhz crystal needs to have specific properties in order to allow it's frequency to be pulled for tuning.  I think the Heath Heath Company used a Saunders Associated model 150 Crystal Impedance meter to characterize the crystals either in R&D or probably in production since it's properties were critical to proper operation of the clock.  Note "Heath Company" property label on back panel.

Video

Youtube

Video

Comments by John Gibbons, N8OBJ  (GC-1000 pg1, pg2, pg3 1999-2009)

Below is a summary of the modifications I have done to the Heathkit GC-1000 Most Accurate Clock to improve its performance:

1.) I replaced all of the IC sockets with machine tool pin sockets.  Having to re-seat some of the IC's every now and then is unacceptable.  I can't believe that HEATH used such CHEAP IC sockets! (Well, maybe I can...)

2.) Re-designed the clock drive to the microprocessors.  The 470pF AC coupled 3.600Mhz clock drive relied on the fact that the input to the F8 uP's had a diode input clamp (probably the substrate of the uP) and the input voltage would swing from -0.6V to +3.5V.  I replaced the cap with a 74HC14 CMOS driver with am 82 Ohm series resistor (to match the impedance of the driver to that of the PC board to reduce ringing).  The voltage now swings from ~ 0.2V to ~ 4.8V. Risetime of the clock remained about the same.

3.) I also replaced the output transistor push-pull circuit that drives the external 3.6000 Mhz output reference with a 74HC14 driver.  I actually tied 3 of the inverter gates on the same chip in parallel (prop delays are almost identical, so you can usually get away with this) to drive this output. Created a nicer looking waveform.  This was the other half of the chip used for the clock driver section (I used 1 gate of the other half for the CPU clock driver, 2 gates remain unused (and tied off)).

4.) I added a second +5V regulator (78L05) and separated the D/A Latch, R/2R resistor ladder and all associated circuitry that runs the Colpits Oscillator / Varactor Diode / Clock Driver circuitry.  One cut on the top side of the PCB by the input inductor (and the feed-thru hole) isolated the clock section +5V very nicely.  The problem I noticed is that when you turn on the displays, the main +5V regulator would droop about 100mv causing the D/A voltage to the varactor diode to droop.  This was enough to shift the 3.6000 Mhz frequency by ~ 15-20 Hz. Still within the spec of the clock for output freq accuracy, but by adding this second regulator the frequency now shifts less than 0.1 Hz (thats the resolution that my freq counter can measure to).  I also bypassed the clock section with a few 10uF Tantalum caps to reduce switching noise.

5.) Eliminated the display ghosting (display shut off but the 5/10/10MHZ indicators still glow a little). This was accomplished by simply grounding the unused side of the display enable switch (labeled 3 + 6 on the schematic).   You also need to cut the power to the decoder IC U101 (pins 1 and 16) and take these two pins directly to the power connector pins 1+2 (+5) on the display board (before the switch).  If you don't, when you shut the display off IC U101 will load down the uP lines to it and the D/A latch will always get loaded with 00H, thus screwing up the ability of the clock to tweek its own oscillator frequency.

6.) Replace all of the caps associated with the 100Hz and 1Khz tone decoder circuits with polypropolene or stacked foil caps.  This reduced the clocks sensitivity to temperature drift (and thus lousy performance) during times when the display is on and the insides of the clock heat up.  I also replaced the 2 - 5K Ohm open face pots with 20 turn adjustable pots - much easier to adjust accurately.  The 2 phase-locked loop adjustments are made much easier by just tying a high-impedance probe on pin 5 of the 567 PLL chip and adjusting the frequency to either 100.0 Hz or 1000.0 hz.  Much easier to adjust than Heath's method. (In talking to the techs at Heath, they recommend this method over that in the manual). Caps and everything were ordered from Digikey for about $10 total.

7.) I added a MOV and a .001uF 1KV cap on the AC input to help line noise rejection and spike suppression.  I personally run the clock off of a 12V 8AH GEL-CEL (I had sitting around for a while, figured I better use it or loose it) and then use a float-voltage charger for the battery (not a cycle- voltage charger).  I also added a 0.1 uF ceramic disc cap on the output of the transformer (input to the full-wave bridge) for added noise suppression.

8.) The transformer that HEATH supplies in the GC-1000 is just as bad as the Radio-Shack transformers:  They skimp on the wire size AND the # of turns on the primary thus giving LOUSY line regulation and they run HOT!   DUMB! DUMB! DUMB! I only plug my unit in when I move it (in case the 12VDC connector unplugs and wipes out the previous months of clock oscillator tweeking).  If you use the transformer, replace it with a real one that can handle the 800ma load without sagging so badly (and getting so blasted HOT!).

9.) I also added a computer interface to directly look at the 5-10-15 Mhz band indication, HI-Spec LED and the 100Hz and 1Khz tone decoder outputs. (The interface is nothing more than a 74HC14 inverter tied to the appropriate lines on the F8 uP).  I have a CMOS Z80 system monitoring these lines and when the clock goes into or out of Hi-Spec, I kick the clock's serial interface and store the time and band info in an EEPROM.  I'm still writing the code, but have the basic system working now (capturing data).  It will basically give me information on when the bands are 'open' to Ft Collins, CO. (which is 1240 miles west of me). I plan on using the 100Hz and 1Khz data for a later project - To be able to decode the WWV data stream myself (probably using a 68HC11 uP) and create a real serial interface that tells you what time it IS, not what time it WAS 1-2 seconds ago (the HEATH serial 'bit banger' interface STINKS!) I'm still debating on whether to attack the receiver section of the clock - It works ok, but it COULD be a WHOLE lot better... hmmmmm...... anyone else
tweeked the receiver yet???

[It's a fun little project that keeps me out of trouble....]
--
 John Gibbons                 N8OBJ                 Macedonia, Ohio
 Internet Address:      gibbonsj%iccgcc.dec...@consrt.rok.com
           "Welcome My Son, Welcome To The Machine" - Pink Floyd

Heathkit ID Cards

These are two different cards.  The one on the left is just an ID card with my customer number.
The Master Builder card on the right has a different number and was issued after I submitted a list of about three dozen Heathkits that I had built.
Some of the earliest ones being the HiFi stereo AM/FM tuner and separate power amplifier.  To get stereo you needed to have one channel on AM and the other on FM. Later added the stereo subcarrier kit which allowed receiving stereo from a single FM station.

Heathkit ID
                Card
Heathkig
                Master Builder Card

July 2016 - An email I sent about Hi-Fi and some Heathkit related stuff:
Scrambled TV
-----------------
In the 1950 - 1960 time frame I built a lot of Heathkits, one of which was the tube type AM-FM stereo system (tuner box and amp box).  In stereo mode the tuner had one channel coming from the AM radio and the other channel coming from the FM radio.  There was a San Francisco station that broadcast on two frequencies (one AM and one FM) so you could hear stereo.

Later Heathkit came out with a small add on box that was an FM stereo decoder the sensed the 19 kHz pilot tone and had stereo outputs. 

It turns out that one form scrambled TV uses a 19 kHz pilot tone as a way of regenerating the sync pulse.  So I modified the no longer used stereo converter box and used it to watch the  scrambled movies.
http://www.prc68.com/I/HeathkitGC1000.shtml#ID

Barney Amp
-----------------
The article said it was designed to work with a specific phonograph cartridge since that was the highest fidelity input source at the time.  So probably would not make a good amp for more modern input sources.
PS when playing records you need to match the stylus tip size to the record.  Small diamond tips for modern 33-1/3 RPM records and a larger ruby tip for 78 RPM records (I didn't play many 45 RPM records).
The fidelity of 78s, with the correct tip, was really good, but with the diamond tip that came with most players they sounded scratchy.

Commercial Amps
--------------------------

In the mid 1970 I had a pair of Voice of the Theater speakers built into a house.  My son now has them.
An exponential horn and a 15" loudspeaker with their voice coils in the same vertical plane.
That way there is no distortion at the 500 Hz crossover frequency.
http://www.prc68.com/I/HomeTheater.shtml#VOT
To go with them I got a top of the line Scott electronics package.  But when the music was quiet you could hear noise.
It turns out that the noise spec on the Scott was some number of dB below full output, but . . . .
the VOT speakers are extremely efficient and those mW of noise were easy to hear.
The fix was to return the Scott and get Macintosh electronics.

List of Heathkits (Wiki)

Heathkits came with a well written manual with line drawings that, most of the time, were very clear.  Pretty much every time after assembling the kit it worked.
Recently I got a Saunders 150B Crystal Impedance Meter and it has a Heath Company label on the back.  It may be that they tested all the individual components to make sure they were in specification before shipping them.  That would go a long way to ensuring that the kit works when assembled.  If you know about the Heathkit parts inspection policy let me know.

Links on model number below to Heathkit Virtual Museum.
Model - Description
Description
Comment
AA-100 Stereo Combination Amplifier tubes hot at back - don't put anything on it
AJ-30 Deluxe Stereo AM/FM Tuner
 and later the AC-11 stereo multiplex converter
One stereo channel on AM
One stereo channel on FM
AS-10U pair of Speakers
10" acoustic suspension woofer,
2 ea 3-1/2" cross-fired tweeters
30 to 15,000 cps
10 to 40 Watts
Hi-Freq knob on back
Crossover freq: 2250 cps
preassembled
DX-20
Heathkit
                  DX-20 CW Transmitter
CW Transmitter
80, 40, 20, 15 & 10-11 Meter bands. 50 Watts
GR-2000 Color Television Kit
1974
includes built-in color convergence generator  used with MacIntosh sound system and VOT speakers
The MacMC2505 amp (Wiki) and tuner were mounted on slides left & right buttons released latch and could slide out.
Retro Audio Lab - rear photo
HW-99
Heathkit
                  HW-99 QRP CW Transceiver
CW Transceiver
80, 40, 15 & 10 meter bands.   50 Watts
IB-5281
Heathkit
                  IB-5281 RLC Bridge
RLC Bridge
EEVBlog photos -
ID-1590
Wind Speed and Direction
Just wind, not other parameters
ID-4001 Weather Station
Time & Date
Wind Speed & Direction
Indoor & outdoor temp.
Barometer
The computer interface generates so much RFI that I could not use it.
The display and buttons are scanned.
Both wind sensors used the same optical disk, but with different optical sensor arrangements.

The digital output was completely unflitered TTL levels so when a ribbon cable was connected between the ID-4001 to the SWTP6800 computer the noise in the HF band was enormous.

IG-42 Laboratory RF Generator Radio Museum photos
a lot of copper plated boxes inside
IG-72 Precision Sine-wave Generator Radio Museum photos
step frequency change not continuations
IN-12 Resistor Substitution Box Radio Museum photos
When working with tube equipment it's easy
to burn out a resistor and not know it.
The value changes.  Obvious when you
look inside and see brown or black and
your nose tells you something's wrong.
IN-22
Heathkit
                  IN-22 Condenser Substitution Box
Condenser Substitution Box Radio Museum photos
IM-11 VTVM
or
V-7A Etched-Circuit VTVM


IT-27
Heathkit IT-10 Transistor/Diode Checker
Transistor/Diode Checker there are modern units that do much more, but this is a quick and easy way to determine NPN or PNP and identify the Emitter, Base and Collector.  Of course it also identifies dead parts.
IT-121
Heathkit IT-121 Transistor Tester
Transistor Tester
Radio Museum photos

Can measure some parameters.
336 High Voltage Probe
QM-1 Q-Meter
my Q-Meter page
CR-1 Crystal Radio my crystal radio page 
HD-20
Heathkit
                  HD-20 100 kHz Crystal Calibrator
100 kHz Crystal Calibrator Radio Museum photos
These were very handy to find stations on analog shortwave radios like the Hallicrafters S-38.
Heathkit
                  HD-20 100 kHz Crystal Calibrator
HN-31
Heathkit Cantenna
                  Dummy Load
Cantenna 1.5 - 300 MHz 50 Ohm, 1 kW dummy load
Shown measuring PRC-138 output power using
Bird Power Meter

A one gallon paint can filled with mineral oil.

Radio Museum photos


There were many more Heathkits, but my memory limits what appears here.




Related

GC-1005 Electronic Clock
Heathkit
                GC-1005 6 Digit Electronic Clock
This is a line powered and timed clock that reads out to seconds.

GCW-1001 Slave Clock
Heathkit
                GCW-1001 Slave Clock
This is a slave clock that needs a GCW-1001 Master clock with the power line interface.
It uses a plug-in transformer (not a wall wart power supply) and gets the time over the
A.C. mains at 120 kHz using a system like X-10 (Wiki).  The NE5050N IC has many features
that minimize power line noise.

Note the GCW-1001 is a WWV receiver like the GC-1001 Most Accurate Clock that has
an optional PCB to transmit the X-10 like time signal to slave clocks.

The display is showing no:t SEt.

Precision Standard Time Model 1020 WWV Receiver
Thunderbolt GPSDO
Stanford Research PRS-10 GPSDO
Time & Frequency
FTS & Datum Cesium Standards

Links

YouTube: Fran Blanche:
Heathkit GC-1000 Power Supply Design Fails and Fixes, 19:57 - The switch mode replacement regulator makes RF noise that stops the clock from working.  The input to the Voltage Regulator is 13.8 VDC, i.e. what you get from a "12 Volt" battery on the external DC input jack.
Restoring The Heathkit GC-1000 Most Accurate Clock!, 43:03 - @ 5:00 - Problem caused by switching regulator,  replaced by an LM317 linear regulator, but she lowers the transformer voltage, hence the battery backup will not work with a 12 volt battery.

Heath GC-1000 Most Accurate Clock Modifications
Heathkit GC-1000 Power Supply Design Fails and Fixes - does not take into account the need for a battery backup.

Back to Brooke's Time & Frequency, Oscillator Patentshome page
[an error occurred while processing this directive] page created 31 Dec 2010.