RT-159A/URC-4 Survival Radio Receiver-Transmitter

© Brooke Clarke 2013

RT-159A/URC-4 Survival
          Radio Receiver-Transmitter
Background
Versions
Component Parts
Photos
Patents
Related
Links

Background

This is a survival radio that transmits on either 121.5 or 243 MHz.  It's KoreanConflict, Vietnam Era vintage and uses vacuum tubes.

The thing that's most noticable is that it weighs a lot (2lbs 13 oz without the battery or battery cable).

Movie credits: Ice Station Zebra, The Bridges at Toko-Ri, Bombers B-52Flight from Ashiya, Battle Taxi

Versions

This is a Hoffman Radio Corp. RT-159A/URC-4 s/n: 31263
Both V3 & V4 are USAF 6147 pencil tubes.
RT-159
RT-159A - the doubler tubes V3 & V4 changed from 5851 to USAF 6147 & wiring, resistor, bias and capacitor changes
RT-159B - JAN 2E32 used for V4 after s/n 16,000 CK6397 & JAN5678 used for V3 & V4.

Component Parts

Designator Description
RT-159/URC-4 Receiver-Transmitter
BA-1264/U Mercury Battery
B+: 136/115  (replace at 120)
A:   1.3/1.18 (replace at 1.2)
CX-1093A/U
Battery Cable
MT-609/U
Mount
T.O. 12R2-2URC4-2
TM 11-510
Manual 5 Oct 1950 revised 5 May 1960

The Y1 crystal in the only crystal in the radio.  It's in an axial lead machined cylindrical package and snaps into place just behind V1
Marking engraved on crystal:
CR-24/U  CAIJ   30.375 MC
Note: 4 * 30.375 = 121.5 MC
Note: 2* 121.5 = 243.0 MC

Examples of the CR-24/U crystal package:
2 each CZX   28.24000 MC
2 each CCSO 32.91250 MC
What do the letters CAIJ CZX and CCSO mean?  Let me know.
CR-24/U Crystal package
The MAY-1 UHF radio set come with the CY-591/U Crystal Case filled with CR-9/U (? is that the correct crystal designation) crystals that have this look and feel.

Photos

Fig 1
RT-159A/URC-4
                Survival Radio Receiver-Transmitter
Fig 2
RT-159A/URC-4
                Survival Radio Receiver-Transmitter
Fig 3
RT-159A/URC-4
                Survival Radio Receiver-Transmitter
Fig 4
RT-159A/URC-4
                Survival Radio Receiver-Transmitter
Fig 5
RT-159A/URC-4
                Survival Radio Receiver-Transmitter
Fig 6
RT-159A/URC-4
                Survival Radio Receiver-Transmitter
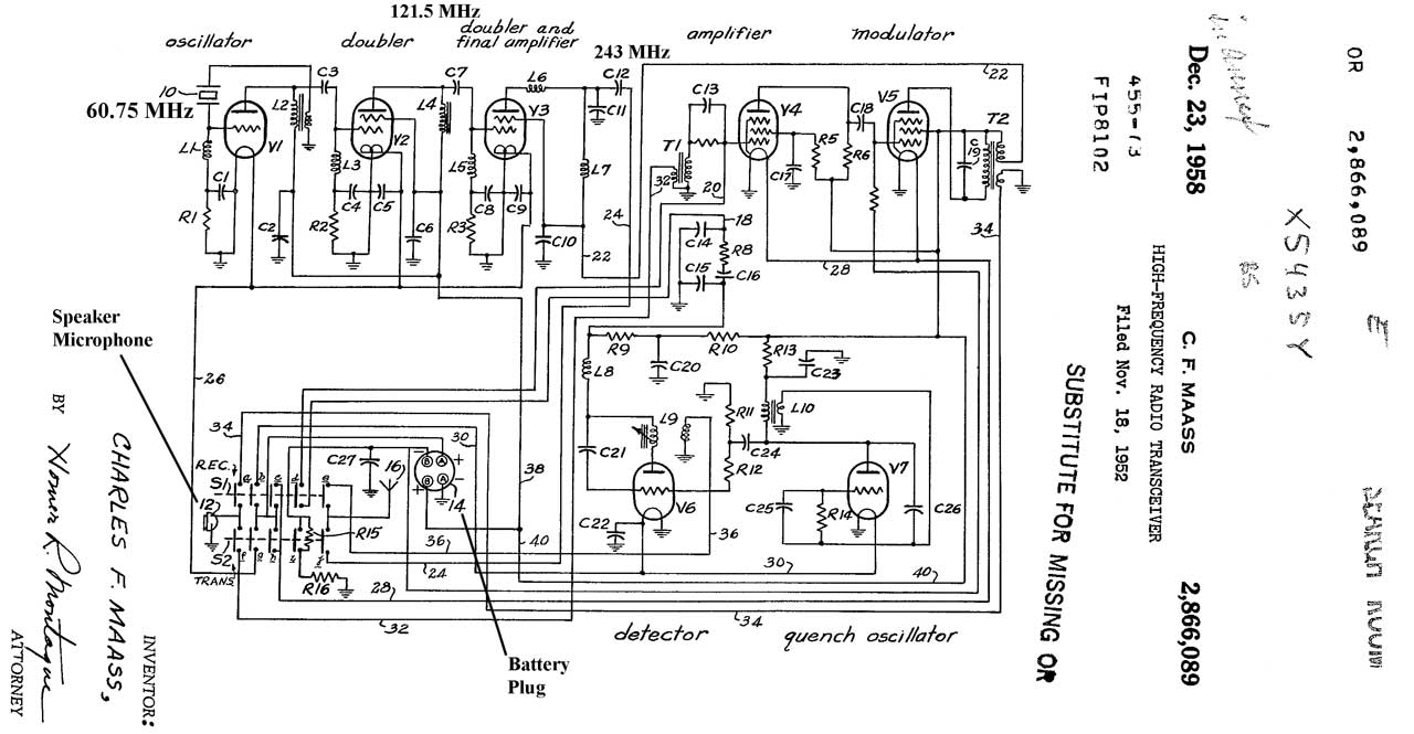
Fig 7 Schematic RT-159A
RT-159A/URC-4
                Survival Radio Receiver-Transmitter

Fig 8 Inside V1 at top
RT-159A/URC-4
                Survival Radio Receiver-Transmitter
Fig 9 Y1 Crystal
V1 in front of Y1, then V2, then V3 & V4 as a pair.
RT-159A/URC-4
                Survival Radio Receiver-Transmitter

Patents

2866089 High-frequency radio transceiver, Maass
                  Charles Frederick, Hoffman Electronics, 1958-12-23
2866089 High-frequency radio transceiver, Maass Charles Frederick, Hoffman Electronics, 1958-12-23, 455/73; 455/336 -

Calls:
2018569 Radio signaling apparatus, George W
                  Pettengill, Carleton D Haigis, RCA, 1935-10-22
2018569 Radio signaling apparatus, George W Pettengill, Carleton D Haigis, RCA, 1935-10-22, 455/85; 331/59; 455/78 -

2420740 Frequency-doubling device for highfrequency oscillations, Douma Tjiske, Priority: 1940-08-15, W.W.II, Pub: 1947-05-20, - for UHF (around 300 MHz)
2533493 Portable radio device, Donald H Mitchell,
                  Motorola, Priority: 1942-02-20, W.W.II, Pub:
                  1950-12-12, - https://prc68.com/I/BC611.shtml
2533493 Portable radio device, Donald H Mitchell, Motorola, Priority: 1942-02-20, W.W.II, Pub: 1950-12-12, 455/78; 315/95; 455/90.2 - See the BC-611

2535063 Communicating system, William S Halstead, Farnsworth Research, 1950-12-26, 455/83; 343/720; 381/111; 343/718; 367/903; 455/270, - single in-ear transducer for both talk and listen.  See the EM200 combined Earphone and Mike.

2570840 Radio-frequency oscillator organization, John C O'brien, General Railway Signal Co, 1951-10-09, 331/139 - tube circuit to work at harmonics of a crystal

2613320 System for using overtone activity of piezoelectric crystals, Albert R Panetta, Electronic Research & Manf, 1952-10-07, 331/158; 331/164; 333/187 - tube circuit to work at harmonics of a crystal

2632812 Carrier-current intercommunication apparatus, John R Cooney, 1953-03-24, 455/73; 331/58; 455/335; 455/77 - intercom, not campus broadcast

2692943 Decituned transceiver, Reid John Drysdale, Avco Manufacturing, 1954-10-26, 455/87; 331/39; 455/77; 455/78- 2000 to 8990 kHz transceiver by push button tuning


Related

Survival Equipment
PRC-90 Survival Radio
PRC-96 Navy Lifeboat Survival Radio
PRC-112 Survival Radio
URC-10 Survival Radio
URC-68 Survival Radio
URT-33D/M Beacon Radio set (Ejection Seat)
PRM-32 (TS-20) Test Set, Radio
TS-24B survival Ratio Test Set
SurvivalKit

Links

EE TImes - Retro wireless: Hoffman RT-159A/URC-4 survival radio - Dec. 2008 -

Back to Brooke's Products for Sale (Including Survival Battery Adapters) Survival Radios, PRC68.com, Alphabetical List of Web Pages, TS24B, Battery, Military Information, Electronics, Personal Home page