Automatic Astro Compass Type MD-1

© Brooke Clarke, N6GCE 2001 - 2025

 
Automatic Astro
                        Compass Patent drawing
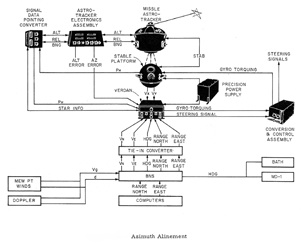
AGM-77 Hound Dog Azimuth Alignment prior to launch.
Use of MD-1 Star Tracker for AGM-77 Hound
                        Dog Azimuth Alignmnet prior to launch.



Display Panel
Astrotracker
fits in 16x16x16" box
Display Panel, Star Data
Three Start supported, so 3 display panels
showing the location of each star.
Display,
Azmith & Ground Range
1280-506-3827
s/n AF57 132
33 600 31502
Deutsch
screw on shell
30 male pins
1  1/8" ID

HS     Feb 6  1959
Polaris
SHA: 2h 31m 49.09s
DEC: +89d `5' 50.9"
So the display is not Polaris now
Automatic Astro Compass Type MD-1
                                  Display Panel, Star Data
Automatic Astro Compass Type MD-1
                                  Display Panel, Star Data
Automatic Astro Compass Type MD-1
                                  Display Panel, Star Data
Display Panel, Star Data    J1401     120
Automatic Astro Compass Type MD-1
Stock No. 6225-A21570 00 004
Serial No. AF57-1308
Part No. A21570 00 004
Contract No. AF33(600)-33105
Kollsman Instrument Corporation
U.S.




J101
30 male pins
cap
1 5/16-6 Acme
J102
30 male pins
J103
30 male pins
J104
900 Volts
3 each photo multiplier?

 
33 in Hg
Plug?
Bubble level vial
Prisim
Labels

 
     
Back of
Display Panel,
Star Data 
Automatic Astro Compass Type MD-1
Stock No. 6605-658-2565
Serial No. AF61-2136
Mfrs Part No. A21570 ?004
Contract No. AF33(600)-42020
Kollsman Instrument Corporation
US
     

Internal Photos





Side
Top
Raster


Background
History of Stars in Navigation
User Info
Control Panels
Manuals
Operation
Patents
    Robert E Jasperson
    Victor Carbonara
Control by PC
Test Equipment
F-84G Missing  20 Feb 1955
Related
Links

Background information

The Manual Astro Compass was replaced by the periscopic sextant which was replaced by the automatic astro-compass.  This may have been the first in a series of star tracking instruments used in aircraft, missiles and space craft.

There are two very similar astro trackers, the C2150 00 003 and the D21550 00 001, what the difference is is unknown.
I have been told this is a part number A2157000004 with NSN 6605-00-658-2565.
The part number D2155000001 version has a NSN of 6605-00-776-3234.

From Wallace & Tiernan FA 181\Ref 6. Survey of Self-Contained Navigation Systems:

The instrument incorporates a star tracker that tracks a predetermined star, planet, or the sun; it will work down to third magnitude stars at night. The same type of star tracker and scanning mechanism are used tn the astrocompass as in the Celonavigator. 

The accuracy of the astrocompass at present is claimed to be better than 1/ 4 degree and the accuracy is expected to be ultimately about 5 minutes of arc. The sources of error in decreasing order of importance are as follows:
1. Gyro vertical - 10 min. of arc.
2. Mechanical errors - 6 min.
3. Error due to uncertainty of position.
4. Star tracker error - 1 min.

History of Stars in Navigation

Name
Aircraft

Astrodome (Wiki)
Lancaster, Halifax, B-17, B-24, B-29

A-1 Astrograph
B-24 (B-24 page 5)

Mk II Astrocompass
prop planes

MD-1 Automatic Astrocompass
B-52C, B-52D,  B-52E, B-52F, B-542G,

Kollsman Inst KS-140 Auto Astrotracker
NAA AGM-28A Hound Dog Missile
AN/AJN-11 Astro-Automatic Compass Set
AF33(657)-12897, AF34(601)-25601 (T.O. 5N1-2-17-1, KS 50-08)
B-52H (later), RC-135

Litton AN/ASQ-119
FB-111A through the FB-111F, removed in the FG-111G

Northrop-Grumman LN-120G Stellar Internal GPS Nav
RC-135 V/W Rivet Joint

AF Project 621 (1962) & NRL TIMATION project (1963) led to Satellite Nav Systems replacing most star trackers
See: Milestones Stellar Navigation to satellite Navigation by Dr. Carlo Kopp
Also see: Sputnik, Transit & GPS


3 Sep 03 Phone call from R. S. who maintained the MD-1

R. S. maintained the MD-1 from 1967 through 1970, which includes the Viet Nam era.  18 Dec. 1972 bombing of N. Viet Nam was allowed.  The Arc Light missions were flown from Thailand, Okinawa and Guam using B-52s with MD-1 capability.  Nixon was a football fan and he named a later mission "Linebacker".

The MD-1 was used on the B-52 C & D as well as in the E and F variants.  Many of the boxes that made up the MD-1 system were located in the right forward wheel well.  Subjecting them to problems from slush from wet runways.  One of the problems was the tuning fork that drives the clock would die.  Being an analog system you could not just replace the tuning fork box, but also needed to adjust a number of pots.

Another problem in the states was when a chew chief would scrape ice off the B-52 they would sometimes also scrape off the dome of the MD-1 and ask to have the dome replaced.  Well you can't do that, the whole MD-1 needs to be replaced and properly leveled.

The Hound Dog missile that was carried on the B-52 also used a smaller version of the astro tracker.  Sometimes when the about 2 foot diameter MD-1 astro tracker was ordered, the one foot diameter astro tracker for the Hound Dog would be delivered.

There was a star simulator that had 3 "stars" in known locations that could be used for testing the MD-1 system.  When testing at night mag 1 stars were used since they were easier to lock onto.

Lighting bugs were not a problem.  Most of the time when a problem ticket on the MD-1 showed up it was do to lack of training, rather than equipment failure.

There are B-52s on static display, that should have MD-1 systems at: Travis, Castle, March and Edwards fields in CA.

Hisory, AF Plant Representative, Boeing Airplane Co. July - Dec. 1958 by Col. Robert E. Lee
Unclassified CMS 0476305
This report contains sections for:
Quality Control -
The MD-1 Astro Compass continued to be a source of trouble.  It was discovered that several of the small plug-in amplifiers had bent pins and socket damage due to misalignment of the sockets in the unit.  However, this problem appears to have been cleared up by the vendor at this time.

Another problem of the MD-1 System was the inaccuracy of the clock used with this equipment and the fact that there was no flight test tolerance for the clock.  this condition was alleviated with the issuance of a flight tolerance and the installation of a new Tuning Fork and Time Standard Amplifier.
Production - B-52G engineering was moved from Seattle to Wichita completed by 31 Dec. 1958.
Industrial Property
Security
Flight Operations and Acceptance - 143 B-52 flight tests for 459:10 hours.
Finance and Accounting
Contracts - B-47 Project: Milk Bottle, B-52 Projects: Wheat State, Harvest Moon
Photos - refueling During Maiden Flight of B-52G Stratofortress, zB-47 Stratojet in Water Injection Take-off.

Control Panels

The capabilities of the system were classified.  That's why the displays and some of the controls in the following images have been sanitized.
 
Display Present Position
Display Star Data for 3 stars

Display Aries GHA & UTC
Lower instrument is a clock
Choose how to set
assumed Lat Lon
Display True Heading
Heading Correction
Display True Azmith
Altitude Intercept
   
Master Control
Must allow setting 3 star positions
& present position
   

In addition to the above control panels there are 10 other ATR type boxes with the analog computer and other electronics boxes that make up this system.

In this version an automated Star tracker looks out a clear astrodome on the top of a B-52E/F and tracks either a star or the Sun. There were a number of star trackers built for many programs both for aircraft, missile and space craft navigation.

Manuals

AF manual 51-40 Volume 3 Air Navigation (15 Apr 60) has  a couple of pages on the MD-1: CoverPart 1,    Part 2,   mentions "minutes of arc" accuracy. Done using an analog computer.  Photographs of the instruments are not sanitized, so you can see more than on the photos above.  This is just 2 years after the classified paper above and the capabilities are no longer classified.

T.O. 5N3-2-3-11 Handbook Operating Instructions, Automatic Astro COmpass (Title Unclassified), Kollsman Type KS-50-03; AF Type MD-1; Replaces T.O. 5N3-2-3-11 dated 15 April 1957; 30 June 1958 (Archive.org) - Thanks to Curiousmarc: B-52 Bomber Astro Tracker

Operation

WANTED - Manual with schematic and/or theory of operation diagram for the star tracker

By inspection of the parts manual T.O. 5N15-2-2-4 some things can be learned.  All of the parts listed below need some type of electrical connection.  There is a minimal amount of electronic content inside the star tracker.

T.O. 5N15-2-2-507 contains a modification that improved the operation of the MD-1.  It is applied to the 3 kHz raster assembly p/n 85 21552 0370.  This implies that there is an X-Y scanner in the system and would explain some of the active components above and the use of audio transformers.

Astro Trracker Major Assemblies Fig 2

Patents

Also see the Stellar Timekeeping - patents.
many with class 250/203.6
The original idea was to just track a single star when it was dark out.  Then a problem surfaced at dawn and dusk there is an East West gradient in the sky background that causes an error in the early type star trackers.  A number of solutions were found.  The next step was to have a star tracker that would track a star in daylight.  This requires optimizing the signal to noise ratio in the complete system.

Three of the patents below are assigned to Kollsman, but which of any apply to the MD-1 remains to be seen.
Google advanced patent search for Title = Star Tracker,

6236939 May 22, 2001 Method and apparatus for controlling spacecraft attitude with rotational star trackers
6047226 April 4, 2000  Enhanced stellar attitude determination system
5525793 June 11, 1996 Optical head having an imaging sensor for imaging an object in a field of view and a tracking sensor for tracking a star off axis to the field of view of the imaging sensor - Santa Barbara Instrument Group
5206499 Strapdown stellar sensor and holographic multiple field of view telescope therefor, Murty V. Mantravadi, Susan M. Raffensperger, Phillip Simpson, Douglas R. Jungwirth, Seymour Levine, Northrop Grumman, 1993-04-27, - cites 32 patents, called by 56 patents
5012081 Strapdown stellar sensor and holographic lens therefor, Douglas R. Jungwirth, A. Phillip Simpson, Mitsuo Kawahara, Seymour Levine, John M. Kennel, Northrop Grumman, 1991-04-30, - multiple sensors and a fixed optical system (no motors). Optical Wide-Angle-Lens Startracker (OWLS)
4189116 Navigation system, Ralph D. Ehrich, Robert I. Emmert, Rockwell, 1980-02-19, - strap down star tracker
4159419 June 26, 1979 Three axis stellar sensor
3936632 February 3, 1976 Position determining system - star tracking for satellites 250/237R; 250/203.5; 250/203.6
3784829 Radiant energy selection means,  Bancroft, R CleavingerJ Hall, M Harris, Ball Aerospace, - "... raster type scan..."
3634691 Apparatus and method for sensing radiant energy and determining the position of the source, James R Bancroft, Richard L Cleavinger, James M Hall, Mark Harris, Ball Aerospace, 1972-01-11, -"...search utilizing a raster-type scan..."
3578975 May 18, 1971  Apparatus for Monitoring the Guidance and Focus of Telescope
3310877 Vehicle optical alignment device - on the importance of keeping the optical center of the periscope centered in the glass hemisphere to avoid distortion
3295010 Image Dissector with Field Mesh near Photocathode, ITT
3287562 Photosensitive scanning means for rotating an image with respect to a light modulator, Jr James J Connors, John W Barnes, KOLLSMAN INSTR CORP, 1964-02-28 -
3246160 Photosensitive horizon scanner for space vehicle, Jacob S Zuckerbraun, KOLLSMAN INSTR CORP, 1966-04-12 - two circles with offset centers form the pattern.
3244896 Star tracker scanning system using a circular scanning pattern and a square aperture, Walker Burt, KOLLSMAN INSTR CORP, 1962-12-14 - with a square sensor the star image appears in all 4 corners, when it moves off center one of those images goes away indicating the direction of movement.
3239674 Radiant energy receiving and detection systems, George F Aroyan, TRW, 1966-03-08, - "target" and fixed stars - anti-ICBM?, "chopping' reticle, "In this connection, where the electro-optical system is being transported by a vehicle in space, the vehicle may be brought into a position in which no apparent movement is sensed between the moving object in space and the fixed reference system of radiation. When the Vehicle is in this position and travels in a direction maintaining the relationship in which there is no apparent movement between the object and the reference sources, the vehicle is on a collision course with respect to the object, and so long as such relationship is maintained, the vehicle may be expected to intercept the moving object. "
3165632 Jan 12, 1965 Star-Tracking System using a Frequency Modulated Carrier Wave, Hansen Siegfried, Raytheon (Hughes), defective USPTO pages
3131249 April 28, 1964 Stellar Compass, Karolus Kunze,
3127516 March 31, 1964 Star Tracker having adjustable scan dependent upon radiation intensity, bad USPTO pages missile?
3122644 Feb 25, 1964 Binocular Star Sensing System, William B Greenlee, Victor A Miller, North American Aviation, star position in the presence of gradient background illumination
3117231 Jan 7, 1964 Optical Tracking System, U.S. Navy, sidewinder IR tracker?
3100264 Aug 6, 1963 Star Energy Identification System for Space Navigation, Polarad Corp, amplitude frequency absorption spectrum used to identify objects in space for satellite navigation.
3088033 April 30, 1963 Automatic Multiple Grid Scanning Tracker, Northrop day & night star tracker
3080485 March 5, 1963 Stellar Orientation Monitoring System, HRB-Singer, a motor scans a photo multiplier and the star pattern is recorded and compared in future scans, for missile navigation
3080484 Mar 5, 1963 Electrooptical Light-Detecting Apparatus, Hughes, day or night star tracking, uses narrow band filtering requires constant frequency, not frequency modulation like in nutating systems, this is a switched system aimed at missile navigation
3072794 Jan 8, 1962, Northrop, Rotating Wheel Scanner for star tracking
3053984 Sept 11, 1962 Star Tracking System, defective USPTO pages
3048352 Automatic celestial navigation and guidance system, Hansen Siegfried, Raytheon (Hughes), 1962-08-07, 244/3.18; 74/5.34; 235/61NV; 244/175; 318/582; 33/323; 701/400 -
3042296 Celestial Data Computer, V.E. Carbonara & E.D. MacDonald (Kolsman Inst Corp), Jul 3, 1962, 235/61NV - part of MD-1?
3037289 June 5, 1962  Directional Reference Correction System, Sperry Rand, math for making star tracking corrections
3024699 Light modulation system, Anwar K Chitayet, KOLLSMAN INSTR CORP, 1962-03-13 KOLLSMAN INSTR CORPKOLLSMAN INSTR CORKOLLSMAN INSTR CORPKOLLSMAN INSTR CORPKOLLSMAN INSTR CORP

3015249 Jan 2, 1962 Tracking Telescope, Northrop, automatic star tracker - thick flush window in roof of airplane
3014133 Dec 19, 1961 Star Tracker, United Aircraft, submarine periscope
3022703 Optical Navigation Device, M.R. Pierce, Feb 27 1962,  356/143; 356/140; 356/147 -
3006236 Apparatus for astronomical navigation, Michaud Robert A H (Sud Aviation), Oct 31, 1961, 356/139.2, 356/139.5, 356/149, 356/147, 356/139.6 -
3002097 Sept 26, 1961 Dispersion Scanner, Northrop, star tracker with acceleration correction
3002096 Sept 26, 1961 Light Tracking Device, Kollsman, removes background illumination even when a gradient
2923202 Dual field optical system, Richard H Trimble, Northrop Grumman, 1960-02-02, - automatic star tracking in celestial navigation requires both accuracy and a wide star seeking field.
2966823 Tracking telescope with dual field optical system, Richard H Trimble, Northrop Grumman, 1961-01-03, -
2998529 Automatic Astrocompass (Kollsamn) (Sun in daytime, Star at night) 250/206.3 ; 250/203.1; 250/203.4; 250/207; 356/139.02 - part of MD-1?
    calls :
    2421012 Homing System (Navy) cylindrical lens and chopper 250/206.3 ; 102/213; 244/3.16; 250/203.1; 250/214.1; 250/215; 250/233; 318/480
      2713134  Radient Energy Controller Followup System (Kollsman) reticle and PMT 318/575 ; 250/203.3; 250/203.7; 318/16; 318/489; 318/625; 318/640; 74/5.34
2981843 Star-tracking system, Hansen Siegfried, Huges, App: 1947-09-02, Pub: April 25, 1961, 250/203.6; 250/203.7; 318/582; 318/640; 250/206.3; 318/606 - works with a bright background
Citations:
Publication number  Priority date  Publication date  Assignee  Title
US2090713A   1935-08-17  1937-08-24  Standard Oil Dev Co  Gravity measuring device
US2155402A  1934-07-06  1939-04-25  Charles Townsend Ludington  Sun compass
US2412612A  1941-10-08  1946-12-17  Gen Electric  Directive radio system
US2424193A  1939-08-16  1947-07-15  Rost Helge Fabian  Self-steering device
US2444933A  1946-08-07  1948-07-13  Robert E Jasperson, Navy,  Automatic navigational director
Cited By:
Publication number  Priority date  Publication date  Assignee  Title
US3136895A  1959-08-191964-06-09Thompson Ramo Wooldridge   IncRadiant energy detection system embodying optically rotatable field of view
US3160751A  1961-06-05  1964-12-08  Aerojet General Co  Optical system for identifying and tracking source of infrared radiation emission
US3180206A  1960-08-09  1965-04-27  Hughes Aircraft Co  Large field, high resolution radiant energy detection system
US3229101A  1961-07-19  1966-01-11  Optomechanisms Inc  Photosensitive optical tracker for moon or satellites
US3234393A  1962-12-10  1966-02-08  Kollsman Instr Corp  Wobble motor for light tracker
US3239672A  1959-02-12  1966-03-08  Bunker Ramo  Photosensitive means for detecting the position of radiating or reflecting bodies
US3244887A  1962-12-03  1966-04-05  Honeywell Inc  Radiation tracking apparatus with pulse counters for producing output indicative of pointing error
US3259751A  1962-07-09  1966-07-05  Perkin Elmer Corp  Star tracking system
US3336480A  1963-05-21  1967-08-15  Litton Systems Inc  Optical rotation sensing system for space vehicles
US3449961A  1964-12-28  1969-06-17  Gen Electric  Optical readout systems
US3853405A  1956-09-04  1974-12-10  Hughes Aircraft Co  Heat or light source tracking device
US3912859A  1962-06-08  1975-10-14  Philco Ford Corp  Electronic tracking device
US4107530A  1966-01-26  1978-08-15  Lockheed Aircraft Corporation  Infrared acquisition device
US4612488A  1984-06-20  1986-09-16  Kernforschungsanlage Julich Gesellschaft Mit Beschrankter Haftung  Apparatus for controlling the directional orientation of a radiation receiver device to a light source
US4967065A  1989-08-11  1990-10-30  Ford Aerospace Corporation  Integrated reticle and detector

2961191 Automatic One-Star Navigational Directors, R.E. Japerson, Mar 1, 1957,
244/3.18, 244/175, 701/513 -
2957742  Automatic Course Follower and Recorder, V.E. Carbonara (Kollsman Inst Corp), Oct 25 1960, 
346/8; 33/268; 318/582; 342/452; 346/112 -
2949030 Gyroscopically stabilized optical system platform, Jr Robert Bruce Horsfall, John M Slater, John A Widenmann, North American Aviation, App: 1949-04-09, Pub: 1960-08-16, - a gyro stabilized telescope for star sights to update an inertial nav system.
2948813 Aug 9, 1960 Tracking System, Aerojet-General, missile
2947872 Aug 2, 1960, Star Tracking System, Kollsman, (filed 23 Jan, 1956)
2943204 June 28, 1960 Star Sensing System, William B Greenlee, Victor A Miller, North American Aviation, daytime and multiple stars, rotating reticule
2942118 June 21, 1960 Radiant Energy Angular Tracking Device, Westinghouse, off center reticule is rotated
2941082  PhotoElectric Automatic Sextant (Kollsman) 356/139.01 ; 244/3.18; 33/268; 356/148 - probably newer than MD-1?
    calls:
    2444933 Automatic Navigational Director, Robert E Jasperson,  (Navy star tracker) 318/581 ; 244/3.18; 250/203.1; 250/348; 318/480; 318/640; 33/1SC; 701/222; 73/178R
    2462925  Radiant Energy Directional Apparatus  (R. Varian sextant that works in daylight) 318/640 ; 250/236; 318/480; 318/625; 33/268; 73/178R
    2492148 Automatic Navigating Instrument for Craft Guidance (Sun or star) 318/582 ; 244/3.18; 313/531; 318/480; 318/577; 318/656; 33/1SC; 33/268; 33/320
    2513367 Radiant Energy Tracking Device (Sperry) 250/203.6 ; 244/177; 244/3.18; 250/204; 250/233; 250/236; 318/582; 318/640; 33/1CC
    2532402 Navigation Instrument for Craft and Pilot Guidance 318/581 ; 114/144E; 114/144R; 235/61NV; 318/577; 318/632; 318/675; 33/264; 33/268; 89/1.51
    2533686 Gyroscopic Sextant (gyro replaces visible horizon) 33/275G ; 33/282; 33/318
    2762123 Navigation System (Sperry) (celestial navigation) 33/1SA ; 235/61NV; 244/3.18; 250/203.6; 318/582; 33/268; 356/248; 701/221; 701/222; 74/5R; 74/5.34
3263944 Aug., 1966 Space Craft Navigation System
2941081 Stellar orientation detector, William B Greenlee, Victor A Miller, North American Aviation, App: 1950-09-27, Pub: 1960-06-14, - "...a star sensing system in which the effect of sky gradient signals is substantially eliminated."
2941080 Astrometrical means and method, Hansen Siegfried, Raytheon (Hughes), App: 1948-11-06, Pub: 1960-06-14, 250/206.3; 250/236 -
Cites:
Publication number  Priority date  Publication date  Assignee  Title
US1910540A  1929-07-03   1933-05-23  Jr John Hays HammondSecret television
US2462925A  1946-12-07  1949-03-01  Sperry CorpRadiant energy directional apparatus
US2488430A  1946-04-15  1949-11-15  Offner FranklinMethod and apparatus for measuring the dimensions of objects by the radiation differential between the object to be measured and a comparison object
US2513367A  1948-05-26  1950-07-04  Sperry CorpRadiant energy tracking apparatus

Cited By:
Publication number  Priority date  Publication date  Assignee  Title
US3121798A  1960-01-23  1964-02-18  Zeiss Ikon Ag  Variable diaphragm structure for photoelectric exposure meters
US3136895A  1959-08-19  1964-06-09  Thompson Ramo Wooldridge Inc  Radiant energy detection system embodying optically rotatable field of view
US3141978A  1961-05-04  1964-07-21  Optomechanisms Inc  Satellite tracking means
US3229101A  1961-07-19  1966-01-11  Optomechanisms Inc  Photosensitive optical tracker for moon or satellites
US3638025A  1963-10-01  1972-01-25  Trw Inc  Method and apparatus for location of radiant energy source
US3950099A  1972-11-01  1976-04-13  Actron Industries, Inc.  Two-axis image motion detector

2931910  April 5, 1960 Automatic Star Tracker, Northrop, rotating wedge with a 10 deg clear field (application 14 March 1949)
2930545 March 29, 1960 Automatic Celestial Navigation Control System, General Scientific Projects, objective prism, track 2 stars
2922224 Jan 26, 1960 Navigation System Employing Star Heading Reference, General Precision Labs, "star tracker" a rotating wedge causes a sin wave output of the spot of light is off center and a DC output when centered.
2921757 June 26, 1948 Long Range Automatic Navigator Device General Scientific Projects "Stellar Compass" 4 photo cells
2906916  Sep 29, 1959 Position Sensing Detector Du Mount Labs photo multiplier for missile homing
2905828 Light tracking device, James B O'maley, John W Barnes, Paul D Hansell, KOLLSMAN INSTR CORP, 1952-11-20 - Spinning diak with pattern and PMT
2894396 7/1959 a gyroscopic unit
2829833 Azimuth Counter, Victor E Carbonara, KOLLSMAN INSTR CORP, 1958-04-08 - 
2782675 Artificial horizon, Howard J Eckweiler, KOLLSMAN INSTR CORP, 1957-02-26 -
2763177 Solar and stellar tracker, Philip H Taylor, Northrop Grumman, 1956-09-18, - 6 prisims: Fir 1: For Solar tracking uses reflection from the hypotenuse which has a filter coating, Fig 2: for stellar use the light goes inside the glass without any filters.

2762123 May 26, 1948 Navigation System - Spery Rand Corp - 3D gyro system with star tracker using photo multiplier tubes
2734269 Aug 11, 1952 Angular Position Data Apparatus - Ionoscope arc seconds accuracy
2713134 July 12,
                  1955, Radiant Energy Controlled Follow-up System,
                  Kollsman
2713134 July 12, 1955, Radiant Energy Controlled Follow-up System, Kollsman, photo multiplier and 400 Hz rotating mask, automatic star follower
This appears to be the patent used for the MD1.
It calls the indented patents :2941081

2707898 Vertically oriented optical system (Zenith Star Source), Jr Robert B Horsfall, North American Aviation, 1955-05-10, -
2529619 Aerial navigation system, George A Maney, App: 1944-09-04, Pub: 1950-11-14, - double integration of acceleration to know position, i.e. inertial navigation

2462081 Feb 22, 1949, Servomotor System assigned to Sperry Corp (auto pilot for flying wing)
2462925 (Google)
                    March 1, 1949 Radiant Energy Directional Device,
                    Russell H. Varian
2462925 (Google) March 1, 1949 Radiant Energy Directional Device, Russell H. Varian, Palo Alto assigned to Sperry Corp
Can track stars during both night AND day!  Automatic star tracking.  The construction is based on a sextant.

This appears to be the first star tracker.
2369622 Orientation System, Feb 13, 1945, Toulon, automatic pointing to a source of energy (IR) like the Sun, mounted on a ship
2246884 Potentiometer, June 24, 1941, balanced control system for temperature indication
2155402 Sun Compass, April 25, 1939, Joseph C. Clark, true meridian indicator using motors and light sensitive sensors- uses vacuum tube photocells.
1963692 Light Sensitive Cell (Clark Cell), June 19, 1934, Joseph C. Clark, Selenium photo cell process for making - predates the Weston Photonic Cell patent 2000642.
2102587 Solar Navigator, Dec 21 1937, Leon T. Eliel, use the Sun to fly an airplane in a straight line for map making.
1999646 Light or Ray Controlled Follow-up System, April 30, 1935, B. A.  Wittkuhns assigned to Spery Corp. uses photo cells and motors
1976648 Remote control System, Oct. 9, 1934, B. A.  Wittkuhns, to Spery Gyroscope, dual cathode photocell

2513367 May 25, 1948 Radiant Energy Tracking Apparatus, Sperry Corp, star tracking telescope

2369622 Orientation System, Feb 13, 1945, Toulon, automatic pointing to a source of energy (IR) on a ship
2397933  Line Tracker Control, Aprio 9, 1946, milling machine controlled by drawing
2505819 Panoramic Sextant having Stabilized Reticle, W. Wrigley (Sperry Corp), May 2 1950, 356/149; 359/401; 359/428; 359/429; 359/557; 359/725; 359/737 -
2313734 Temperature Compensated Bubble for Panoramic Sextants, C.J. Crane & S.M. Burka, Mar 16 1943,  33/315; 33/348; 33/379; 219/201 -
2262920 Illuminating Means for Instruments, V.E. Carbonara (Square D Co), Nov 18 1941, 362/30; 73/431; 362/267; 362/268; 362/339; 439/675 -
2280798 Panoramic Sextant, C.J. Crane & S.M Burka, Apr 28 1942,  356/147; 116/299; 356/148 - aircraft periscopic sextant
2127807 Indicating Instrument, V.E. Carbonara (Bendix Aviation Co), Aug 23 1938, 116/287; 33/348; 116/299; 359/440 -
2132286 Change Responsive Controlling Means, V.E. Carbonara (Bendix Aviation Corp), Oct 4 1938,  73/386; 73/178.00R; 415/13 - clockwork on elevation axis
1970543 Navigating Instrument, V.E. Carbonara (Pioneer Inst Co),   Aug 21 1934,  356/148; 33/348 -
1966844 Navigational Instrument, V.E. Carbonara (Bendix Aviation Corp), Jul 17 1934,  356/142; 33/364  -
1877459 Machine for use in Determining the Longitude and Lattitude and Direction of Flight of an Observer, G.M. Hayes, Sep 13 1932,
Class: 356/143; 33/320; 356/140; 356/147; 356/148; 356/149  -
1834017 Optical Instrument, V.E. Carbonara, Dec 1 1931,  356/249; 356/148; 359/726 - measuring vert angle to bubble level

3012148 Infrared tracker, Franklin Hummer Robert, Snyder Hartland S, Secretary of the Navy, Dec 5, 1961,
                250/233
, 250/214.00R, 250/203.6, 250/350 - maybe development of the IR homing Sidewinder missile rather than for stars?
Citations
Cited Patent Filing date Publication date Applicant Title
US2369622 * Jun 11, 1941 Feb 13, 1945 Toulon Pierre Maric Gabriel Orientation system
US2462925 * Dec 7, 1946 Mar 1, 1949 Sperry Corp Radiant energy directional apparatus
NL33746C *


Title not available
Referenced by
Citing Patent Filing date Publication date Applicant Title
US3127516
May 16, 1960 Mar 31, 1964 Singer Inc H R B Star tracker having adjustable scan dependent upon radiation intensity
US3147381
Jun 30, 1961 Sep 1, 1964 Barnes Eng Co Two color radiometer for distinguishing radiations from sources at dieferent temperatures
US3177362
Oct 2, 1961 Apr 6, 1965 Lockheed Aircraft Corp Infrared tracker
US3242343
Dec 11, 1961 Mar 22, 1966 Kollsman Instr Corp Oscillating reed scanner with two excursions and aperture with central opaque region
US3274393
Oct 10, 1962 Sep 20, 1966 Kollsman Instr Corp Single modulation star tracker
US3454776
May 19, 1965 Jul 8, 1969 Leitz Ernst Gmbh Method and apparatus for determining the positions of indicia utilizing an oscillating light beam and detecting an odd harmonic in the output
3274393 Single modulation star tracker, Zuckerbraun Jacob S, Kollsman Instr Corp, Sep 20, 1966, 250/233, 250/203.6, 359/235
Cited Patent Filing date Publication date Applicant Title
US2961545 * Oct 23, 1959 Nov 22, 1960 Barnes Eng Co Tracker for moving objects
US3012148 * Jul 2, 1951 Dec 5, 1961 Franklin Hummer Robert Infrared tracker
US3080485 * Jun 22, 1960 Mar 5, 1963 Singer Inc H R B Stellar orientation monitoring system
US3138712 * Aug 5, 1959 Jun 23, 1964 Bunker Ramo Photosensitive energy detection system

11353627 Compact star tracker with photonic crystal pointing, Joshua LENTZ, Kevin Brink, AF, 2022-06-07, - Cites 38 patents mostly related to bending light

1299459 Panoramic range-finder, Graves Griffith, Apr 8, 1919, 356/16, 359/401 - keeps image right side up while panning horizon.  uses Amici roof prism (Wiki)

When a telescope has a mirror at the objective end that mirror is rotated about an axis going through the centerline of the telescope, the image seen through the telescope also rotates.  So, if the telescope was pointed up and the mirror was at 45 degrees to the telescope centerline, the horizon could be scanned, but only at one azimuth angle would the ground be at the bottom of the image.  At an azimuth 180 degrees from there the image would be upside down.  So for panoramic range-finders, panoramic telescopes, periscopes and sextants with panoramic capability something needs to be done to keep the image erect.

Robert E Jasperson 


1964737 Gyro sextant, Scott B Macfarlane, Robert E Jasperson, 1934-07-03, - binoculars with gyro horizon

2036288 Gyroscope sextant, Scott B Macfarlane, Robert E Jasperson, 1936-04-07, - similar to above

2444933 Automatic navigational director, Robert E Jasperson, App: 1946-08-07, W.W.II, Pub: 1948-07-13, - Star tracker based celestial navigation

2741854 Vertical seeking apparatus, Robert E Jasperson, 1956-04-17, - for use in 2444933, cites Einstien - this is not going to work

3194949 Automatic one-star tracking navigation device, Robert E Jasperson, 1965-07-13, - Sun or bright celestial object, "...the earth by detecting the absorbed or reflected energy and in this way the true vertical to the earth can be determined to a high degree of accuracy."

3281094 Self-contained guidance system, Robert E Jasperson, Trident Engineering, 1966-10-25, - inertial navigation system

3133352 Satellite alert, Robert E Jasperson, 1964-05-19, - for use with Transit Satellite System by Frank T McClure - very similar to the Russian 

4055121 Depth controlled naval mine, Robert E Jasperson, 1977-10-25, -

3587309 Aero-hydro interface measuring system, Robert E Jasperson, 1971-06-28, - towed wave height measuring system

Victor Emanuel Carbonara

This name shows up on 150 patents

1834017 Optical instrument, Victor E Carbonara, Pioneer Instrument Co, 1931-12-01, 356/249 (Optics: Measuring & Testing), 359/726 (Optical Systems & Elements), 356/148 - I don't see how this has any advantage over the K&E Hand Levels patented in 1894?

1919
Pioneer Instrument Co (Wiki) was founded -
  Earth inductor compass (Wiki) 1770243, 1770244, 1770245, 1770246, 17702471959251, 2025897,
  Sextant: 1697293, 1705146, 1970543 (Mk III?), AN5851:{2207656, 2281474, 2281475, RE22076}
1928
acquired by the Bendix Aviation Corporation
1941
named: Pioneer Instrument Division of Bendix Aviation
1943
merged with the Eclipse Machine Company (Wiki) to become the Eclipse-Pioneer Division of Bendix Aviation (Wiki)

In the biography of Paul Kollsman (Wiki) he is mentioned.

1923
Kollsman moves from Germany to US and worked for Pioneer Instruments
1928
Founded Kollsman Instruments
1929
US Army Lt. James H. Doolittle (Wiki: Doolittle\Instrument flight) meets with Kollsman about his altimeter (1857311)- Navy orders 300 of them, "Kollsman window" allows setting local barometric pressure
1940
Kollsman Instruments sold to Square-D
1951
Kollsman division sold to  Standard Coil Products Co (201 patents) (AM/FM/TV)- named long-time Kollsman general manager Victor Carbonara as vice-president of the division (some, not all Carbonara patents at Square D)

Control by PC

If the schematic of the star tracker can be located or reverse engineered, then it may be possible to use the star tracker without all the other boxes in the system directly from a PC and using a custom made interface.

Synchro Systems -
Control Sciences Inc. -
Analog Devices - Synchro to Digital Converters -
ILC Data Device Corporation -
Natel Engineering/Muirhead hybrid contract manufacturer, but has Synchro history
Pentland Systems - VME synchro converters
Computer Conversions Corp. - amplifiers -
VMIC - synchro converters - Tutorial -
Poly-Scientific -Resolvers & Synchros - Synchro Application Data -
Hotek - North Atlantic Angle Position Indicator, API Model 8810 -
Micro-Precision Technologies - Synchro- and Resolver-to-Digital, Digital-to-Synchro and -Resolver -
BBG Inc. - serial converter -
ICPE S.A - Synchros & Resolvers
Integrated Publishing- Gunners Mate Training  Chapt 5 -Synchro Circuits -
North Atlantic Industries -
FT Technologies Ltd - Synchro/Resolver Converters -
Science Engineering Associates, Inc. - Synchro Digital Converter for INS Interfaces -
KineticSystems Company, LLC - 3-channel, Digital-to-synchro Converter -
ACTIS Computer - RDC-20 Dual-channel Resolver / Synchro Converter -
Eagle Technology - PC-40 4 Channel Digital to Synchro Converter ISA Board -
 - Multi Mission Military Aircraft Simulator -
North Atlantic Instruments - angle position indicators and realted equipment for synchro/resolvers, S/R simulator with 3VA output. 76CS1 will measure 8 chan & drive 6 chan with 1.2VA.

Test Equipment

Test Set Synchro Type TTU-23/E -

Palm Pilot Software

There is also a program for the Palm Pilot called "astro compass".  This uses the time and location of an observer to calculate some astronomical data.

F-84G Missing  20 Feb 1955

Lt. Bill Brandt went missing on 20 Feb 1955 while on a test flight of a "Kollsman photoelectric sextant".  The aircraft took off from Turner Air Force Base in Georgia (not that far from the Atlantic ocean).
https://en.wikipedia.org/wiki/Naval_Air_Station_Albany#Turner_Air_Force_Base_%281947-1966%29

2713134 Radiant Energy Controlled Follow-up System, Kollsman, App: Pub: July 12, 1955 - photo multiplier and 400 Hz rotating mask, automatic star follower - may be the photoelectric sextant being tested in the new F-84 application?

The following patents contain "photoelectric sextant" (as far as Google Optical Character Recognition knows).

2941082 Photoelectric automatic sextant, Victor E Carbonara, Howard J Eckweiler, Louis E Sharpe, Kollsman Instrument Corp, App: App: 1956-01-23 -
this may be the star tracker for the Hound Dog Missile (Wiki) and might be a better fit to the F-84 than the MD-1 which is much much larger. 
"The first air-drop test of a dummy Hound Dog was carried out in November 1958" - Would the star tracker for the Hound Dog be ready for a test flight in 1955?
"The Hound Dog missile's development was completed in only 30 months (2 years & 6 months)", so November - 6 mo = May, 1958 - 2 years = 1956, so Hound Dog development started May 1956, i.e. after the F-84 went missing.
2947872 Star tracking system, Victor E Carbonara, Howard J Eckweiler, James B O'maley, Paul D Hansell, Kollsman Instrument Corp,  App:1956-01-23 - this is the basic theory about how the search disk ends up driving the Az-El motors.
-------------- the above patents may be related, but the below patents are probably too new --------------
2998529 Automatic astrocompass, David B Nichinson, James J Connors, Kollsman Instrument Corp, App; 1958-06-19 -  This is the MD-1 and it's necessary vertical gyro.
3042296 Celestial data computer, Victor E Carbonara, Mac-Donald E Douglas, Kollsman Instrument Corp, App: 1958-06-19 - the MD-1 mechanical computer (technology similar to the Torpedo Data Computer).

Related

Navigation -
Gyroscopes -
Aircraft -
Stellar Time Keeping -
Astro-Compass MkII - no optics, just open gun sights and angle scales.
Sextant, Aircraft, Periscopic - Optics, clockwork integrator
Surveying - Theodolites - Pibal theodolites (easy to use when looking up) -

Links

2024Dec8 YouTube CuriousMarc & Michel Waleczek: B-52 Bomber Astro Tracker - Part 1: Grand Opening (ft. Le Labo de Michel), 26:14 -
2016 EEVblog #854: B52 Bomber Automatic Astro Compass Teardown, 28:51 - Spherical Triangle Solver -
2025Jan7 YouTube CuriousMarc & Michel Waleczek: B-52 Bomber Astro Tracker - Part 2: Power up and gyro-stabilization, 29:20 - adding external vertical gyro to stabilize 2-axis gimbal that supports the telescope in the MD1.  There is an electromagnet that locks the internal gimbal.  The next episode will be about the telescope.
2025March5 YouTube CuriousMarc & Michel Waleczek B-52 Bomber Astro Tracker - Part 3: Figuring out the optical system, 20:25 - mentioned paper that's how the unit actually works: IEEE The Celestial Tracker as an Astro Compass


Keep It Automatic, Major Stuart E. Burtt, The Navigator,(pg 241), Vol. VII, No. 2, May 1961, pg20  - aboiut using the ball-and-disc integrator (Wiki) in the Preiscopic sextant to average the MD-1 readings.
"Little Known History Of The Analog Computer System That Made The B-52 A Weapon During the Cold War Years" - pg 2 by Bernard Palicki - Kollsman later provided an Astro-Compass System (a combination mechanical, electro-mechanical and electronic analog computer system).   This Astro-Compass System solved the celestial navigation problem by locking onto light from the sun in daylight hours, and to the intensity of light from stars in the darkness of night. Its gyro system was so sensitive, bench systems had to be installed on concrete pedestals several feet deep into the ground, to minimize disturbance from earth vibrations by the roll of 18-wheeler trucks riding highways ten miles away.    This Astro-Compass System was installed only in E and F model B-52s, and later removed. (I have no proof, but, from experience, one of the reasons for removal could have come from this system's ability to lock-on to the glow from lightning bugs impacted on the glass dome during B-52 take-off rolls, later blocking points of view, rendering the system inoperative in-flight.)
Boeing B-52 Stratofortress - Chapter 13 B-52E -
Little Known History of the B-52 Offensive Weapons System During the Cold War Years - periscopic sextant
B-52 Menu Item 2: IBM and the Bombing and Navigation Computer Sub-system for the B-52 Aircraft -
Kollsman later provided an Astro-Compass System (a combination mechanical, electro-mechanical and electronic analog computer system).

This Astro-Compass System solved the celestial navigation problem by locking unto light from the sun in daylight hours, and to the intensity of light from stars in the darkness of night. Its gyro system was so sensitive, bench systems had to be installed on concrete pedestals several feet deep into the ground, to minimize disturbance from earth vibrations by the roll of 18-wheeler trucks riding highways ten miles away.

This Astro-Compass System was installed only in E and F model B-52s, and later removed. (I have no proof, but, from experience, one of the reasons for removal could have come from this system's ability to lock-on to the glow from lightning bugs impacted on the glass dome during B-52 take-off rolls, later blocking points of view, rendering the system inoperative in-flight.)

BOMB/NAV - Guestbook & War Stories - people who worked on these.
Air Force Historical Research Agency - might have documentation
home.chinese.com/~wc8888/mil_std/test1.htm - URL not working
Convair B-58 Hustler - There was also a daytime-nightime Kollsman Instruments KS-39 astro-tracker which automatically tracked a preset celestial body via a photocell mounted in a telescope and was so designed that it held the observed body in the center of the field of view.
Convair B-58 Hustler -
Atop the stabilization unit, and protruding slightly above the skin of the fuselage, is the rounded cupola of the star tracker unit. By setting on his astro control panel the Greenwich Hour Angle, the sidereal hour angle, and the declination of the sun or star to be used for navigational purposes, the navigator can cause the astro tracker to lock onto the heavenly body, after which it will provide continuous heading information to the computer.
B-52 Stratofortress Association -
Omahas - sells the astro tracker B-52D bubble -
KA to KS - Equipment Listing - KS-39 Astro-Tracker; manufactured by Kollsman  Instruments; used in B-58
An Automatic Astro Compass by David B. Nichinson pg 182, 1958  issue of Navigation, Vol 6 # 3, pub by ION this paper has the above illustrations and a rough description of the astro tracker.

The N5G Hound dog missle also used the astro tracker.

Yankee Air Museum - has restored B-52D but no MD-1 info
Kollsman - still in business making similar products
B-52 Stratofortress Association -
Air University at Maxwell AFB -

Purchased from Omaha's - ASTRO TRACKER,B-52D
 The Book: The Praetorian STARShip: The Untold Story of the Combat Talon - mentions the use of the MD-1 in relation to the Terrain Avoidance/Terrain Following RADAR
"For the AN/APQ-122(V)B radar, the stabilization reference could be manually or automatically switched to the MD-1 Gyros if the LN-15J (Litton INS Wiki) became unreliable or inoperative."
Combat Talon (Wiki),
The Navigator Vol 6 No. 2 Oct 1959 "MD-1 Automatic Astro Compass", Captain Bill D. Vance, (pdf pg 67) - "MD-1", Raymond W. Reig, Proj Mgr, Kollsman Inst Corp, (pdf pg 70) -

The Navigator Vol 6 No. 4 August 1060 pg 27 "MD-1" by major John K. Kelly, Jr.
"The ground and inflight operating procedures are extremely simple.  The ground preparation of the equipment is accomplished in the following manner.  Turn the power switch on and  wait two minutes.  Using a master watch or WWV time hack set and start the clock.  Select the proper mode of operation (Sidereal or Solar) for the type of body to be tracked.  Set up the proper GHA of the sun or aries from the air almanac.  The GHA selected should agree with the time on the clock.  Set the SHA as determined from the Air Almanac. For sun or planet tracking the SHA is set at zero.

When selecting a star try to select a low rising or high setting body to provide maximum continuous tracking time.  Also try to choose a star forward of the aircraft.  Star tracking should be limited to stars between six and sixty degrees in altitude.  Set declination of the body from the air almanac.  The latitude and longitude information may be set manually in counters provided or taken automatically from the Bomb-Navsystem.  The latter is by far the most desirable.  The equipment is now ready to use in-flight for celestial heading reference, azimuth, and altitude intercept information."
The Navigator Vol 7 No. 2 May 1961 " Keep it Automatic" Maj. Stuart E. Burtt, - " It might prove advantageous to develop a small, inexpensive, hand-held integrator to facilitate the use of theMD-1".

The Nautical AlmanacPublication 249 aka Ho-249 - online version

YouTube:  EEVblog: EEVblog #854 - B52 Bomber Automatic Astro Compass Teardown - it's the mechanical analog computer, no optics.
5:54: Inside
19:51: maybe solving some spherical tirg?
22:55: Antikythera Mechanism (Wiki) side bar on analog computers
Label:
Computer altitude azimuth
Automatic Astro Compass Type MD-1
Stock No. 6605-673-6737
Serial No. AF60-972
Mfrs Part No. A26960 00 002
Contract No. AF3316001-41563
Kollsman Instrument Corporation
U.S.








Nortronics NAS-14V2 Astroinertial Navigation System SR-71 star tracker (Smithsonian, ANS)

YouTube: Snark the First Intercontinental Ballistic Missile Cruise Missile SM-62 51134, 8 :49 -

SR-71’s “R2-D2” Could Be The Key To Winning Future Fights In GPS Denied Environments -
Minature Optical Wide-Angle-Lens Startracker (Mini-OWLS), 6 pages,

Back to Brooke's Products for Sale, Navigation, Stellar TimekeepingMilitary Autio, Squad Radio, Military Information,Home page

page created Oct 2001.