Navigation Orientation & Position
POS/NAV

© Brooke Clarke, N6GCE 2001 - 2025


Background
    Position
    Bearing
    Accuracy of Visual Fixes
Gyroscopic
Inertial
Magnetic
     Earth Induction
Optical
     Celestial Navigation Trainer
    Pocket (Box) Sextant
        Apollo Program Star List
        Brass English Pocket Sextant, Unsigned, Early 1900's
        Stars
        Philip Weems
        Skylight Compass
        Atom Interferometer
Radio
    Omega
    Bearing
    Doppler RADAR
    Loran-C
    Sputnik
    Transit
    GPS
GPS Denied Navigation
Miscellaneous
References
Links


Background

Position

Determining your position on the Earth (or elsewhere) is an exercise that depends on the interrelationship between time and position.  For example if you know the exact time and can sight a heavenly body with a Sextant then you can determine where on Earth you are. If you know were you are, on a Sunny day you can tell what time it is using a Sundial.  Because of the importance of Navigation at sea the British offered what today would be a $10 million reward for a clock that would be practical at sea to find the Longitude.  The pendulum clock would not work at sea.  Harrison spent most of his productive life developing clocks that would work at sea.

Another maybe more accurate account of the longitude problem is: The True Story of a Lone Genius Who Solved the Greatest Scientific Problem of His Time
This article makes the valid point that the science was settled long before Harrison, but the technology was not in place.  Harrison made a marine chronometer that worked, but was way too expensive to be a viable product.  It took a number of generations of development before marine chronometers were common.  Also note that if a chronometer fails you are lost and so the method of Lunar Distances (Wiki) is a way to regain the time while at see.

Finding the Latitude turned out to be an even more difficult problem.  At first glance it would seem that all that's needed to know your latitude is a sight on the Sun or a star.  But that fails because the axis of the Earth is wobbling.  For navigating a ship the wobble doesn't matter.  But for determining the distance between Earth and Sun, or make other key astronomical measurements the wobble was a real problem for almost a  century.  One of the Latitude Service Observatories is here in Ukiah, California.

For precision time transfer you need to know where you are then you can determine what time it is.  Because of this radio based time transfer methods follow the navigation systems.  When Loarn-C was the best nav system it was also the best time transfer method.  Now the GPS system was designed for both time and position determination and is currently (2002) the best system for time transfer.  See my Time and Frequency web page for more on time.

Surverying has to do with determining positions on Earth. Many aspects of astronomy have a strong relation to time and position.

Bearing

Once you know where you are, you still need to know in what direction lies your goal.  Even today with a GPS receiver that tells your position, you still need a compass to determine direction.  You can determine direction with GPS by taking a reading then moving to another location and computing the direction you traveled, but the GPS receiver when at rest does not provide any bearing information.

Accuracy of Visual Fixes

Going back well before the chronometer there were pendulum clocks that keep good time when placed on a solid foundation.  Although they are limited because of changes in gravity caused by the Sun and Moon (Wiki: Earth tides).  The pendulum clock can be set by observing the Sun and stars and so can be used to determine Longitude on land when combined with a transit or theodolite.  The accuracy of the position depends on the accuracy of the time and the pointing accuracy of the theodolite.

The British Longitude Prize (Wiki) did not specify the method but rather offered 3 prizes where the amount paid depended on the accuracy.  The range was 60, 40 or 30 nautical miles.  These distances are related to the distance between the lookout at the top of the main mast on a sailing ship and the peak of a mountain on land.  The idea was to keep ships from running aground which typically killed all on board.  Harrison (Wiki) won the prize be developing a balance wheel chronometer (Wiki) because the pendulum clock does not work on a ship.  The basis of  determining the longitude at sea at that time depended on knowing the time to enough accuracy.

When surveying on land your position can be determined using a theodolite and a source of accurate time.  But an efficient system would match the accuracy of the angle measuring instrument and the accuracy of the time.

The Earth makes one revolution around it's axis in about 24 hours (about 86,400 seconds Wiki).  Prior to 1967 the period of the Earth was exactly 86,400 seconds, but after that time defined based on a Cesium standard (see my FTS4060 & FTS4065 web page).  The Earth speeds up or slows down on a daily basis but the Cesium clock keeps much better time.  One revolution of the Earth is equivalent to a change in longitude of 360 degrees.  So we have a relationship between time and angle.
Unfortunately the units of time and angle are the same for minutes and seconds so for angle measurements I'll prefix the unit with arc, like: arc minutes (am) and arc seconds (as).

When using microwave radio frequencies (like the GPS system) or instrumented laser range finding to the Moon or some GPS satellites there is no "seeing" problem and so the accuracy can be much better than for visual methods.

Because of the relationship between time, angle and distance you can see what accuracy you need.  For example if using an instrument with one arc minute of angle accuracy you need a time standard good for about 4 seconds (one second would be great), but for a one arc second theodolite you need maybe 50 milliseconds time accuracy.

It's my understanding that there are a handful of stars (the brightest celestial (Wiki) navigation stars (Wiki)).  These are the brightest stars, those with the highest magnitude.

Time
Angle
Distance0
24 h
360 d1
40,030.230141 km
24,873.5821 mi
1 h2
15 d2
1667 km
1036 mi
4 m
1 d
1.195 km
69.09 mi
1 m
15 am
27.799 km
17.273 mi
3.999457 s
0.999864 am
1 nmi3
1853 m
6076.12 ft
4 s
1 am4
1853.25 m
1.151 mi
1 s
15 as
463.313 m
1520  ft
200 ms
3 as5
92.663 m
304 ft
100 ms
1.5 as
46.331 m
152 ft
66 ms
1.0 as6
 30.888 m
101.3 ft
10 ms
0.15 as
4.633 m
15.2 ft
6.6 ms
0.1 as7
3.089 m
10.13 ft

Note: 0: distance along  Equator (latitude = 0) (Wiki) , other constant latitude reduce by COS(|Lat|) or along great circle through both poles (use number in table).
Note 1: One revolution of the Earth, the speed at the equator is 1667 km/hr, 1036 MPH.
Note 2:  Nominal width of a time zone (Wiki)
Note 3: A Nautical mile (Wiki) is very close to one arc minute of angle.
Note 4: One arc minute is the accuracy of the Wild T16 theodolite which is about the same accuracy as the Leitz 115 transit.
Note 5: "Seeing" (Wiki), which varies with time, but on average puts a limit on the accuracy of any visual observation from Earth of about 3 as. (See: Stellar Time)
Note 6: One arc second is the accuracy of the Wild T2 theodolite (requires good seeing to be useful).
Note 7: A tenth of an arc second is the accuracy of the Wild T4 theodolite but that accuracy is used when observing ground based targets, not astronomical sights.

Gyroscopic

One of the classical uses of gyroscopes is in aircraft instruments and control systems.  The first inertial navigation systems used gyroscopic stabilized platforms and today modern flight control systems also use gyroscopes.  In all these cases the gyroscope is used for relatively short times.

A gyroscope can also be used to determine true North.  For example a surveyor inside a cave can use a North finding instrument that does not depend on sighting the Sun or stars yet produces a very precise horizontal angle "fix". The AG8 is the military nomenclature for one of these systems. The Wild Heerbrugg ARK 1 Gyro Aiming Circle is another.

Note the drift rate of a gyroscope, independently of how it works, depends on it's volume.  The gyros on a chip are extremely small and drift quickly.  The huge spinning mass gyros have a much slower drift rate.

Inertial (Wiki)

Inertial navigation depends on Sensors for orientation.  A classical system uses a three degree of freedom gyroscopic platform with accelerometers in each axis.  More modern systems use strap down (Wiki) fiber optic laser gyros.  The problem is drift.  If an inertial system is just placed in a static location and the position plotted for some time it will drift.  That means that the precision of the "fix" gets poorer and poorer as time goes by.  Inertial systems need periodic updates using some other method.  The Transit satellite navigation system was designed so Polaris missile subs could update their inertial nav system.

These systems are typically large and expensive and so you'll find them on large high value vehicles although I have seen that the military has a system that can be mounted in a jeep.

2022275 Device for indicating the position of ships, Davis Arthur Pattison, 1935-11-26, -
2869117
2908902 World-wide navigational system, John W Gray, Everett B Hales, Jr Ivan A Greenwood, General Precision Laboratory, 1959-10-13, -
3260485 Inertial navigation, Lerman Harold, Neil A Sanchirico, John P Sputz, General Precision, 1966-07-12, - "In the system of the present invention, a ground align program or a flight align program may be selected."
3355942 Man-carried auto-navigation device, Peter A Freeman, Martin Marietta, 1967-12-05, - switch in shoe counts steps & magnetic compass for direction - result integrated.

Magnetic

Compass

Note that in the days of wooden sailing ships a compass worked rather well.  With the advent of steel hull ships getting a true reading from a magnetic compass became much harder.   Getting a conventional magnetic compass to work in an armored tanks or submarine is almost impossible.  This was a key motivation for the development of the Gyroscopic compass.

Lensatic

YouTube: The Map Reading Company:
Use a Lensatic Compass with a map & without, 16:31 -
Cammenga compass - how to set magnetic declination, 5:50 -  3 deg per bezel click.
There are 3 types. 
The degree dial can be rotated.  One application would be to set it to the local magnetic deviation.  Dial in both degrees (red) and mils (black).

1) This one that has the glow in the dark paint Marked:
U.S. Compass, Magnetic
FSN: 6605-151-6337
RA Miller Elec.  Corp.
Grand Haven, Mich.
DAAK01-71-C-8583
30 Jun 71

2) the one with Trintium (Wiki) vials that glow all the time.   Marked:
U.S. Compass, Magnetic
NSN: 6605-01-196-6971 Stocker & Yale  120 mCi (millicuries of tritium)
NSN: 6605-01-196-6971 Stocker & Yale U.S.
                    Compass, Magnetic
NSN: 6605-01-196-6971 Stocker & Yale U.S.
                    Compass, Magnetic
U.S.
COMPASS, MAGNETIC
NSN 6605-01-196-6971
STOCKER & YALE, INC.
NSN: 6605-01-196-6971 Stocker & Yale U.S.
                    Compass, Magnetic
SandY 183
21-26460-02E
120 mCi 3H
DO NOT OPEN
CONTROLLED DISPOSAL
REQUIRED

NSN: 6605-01-196-6971 3H Cammenga (probably 120 mCi).  comes in OD, Black or Camo.

3) a version of the Trintium compass for Japan with a smaller amount of Trintium.
3HJP  with 27 mCi

Lensatic
                    Compass 1971 U.S. Army Marked:
U.S.
FSN 6605-151-5337
RA Miller Elec. Corp.
Grand Haven, Mich.
DAAK01-71-C-6583
30 Jun 71

Cammenga H3
The Official U.S. Military Precision Lensatic Comapass Instructional Booklet -
Tritium Compass 3H - Olive Drab - Accuracy +/- 40 mils (2.25 deg)

2111829 Orientation Compass, F. Winterer, Mar 22, 1938, 33/272; 33/285


Brunton Truarc 3 Baseplate Compass Global Needle

Fig 1
Brunton
                    Truarc 3 Baseplate Compass Global Needle
Fig 2
Brunton
                    Truarc 3 Baseplate Compass Global Needle
Fig 3
Brunton
                    Truarc 3 Baseplate Compass Global Needle
Fig 4
Brunton
                    Truarc 3 Baseplate Compass Global Needle
Fig 5 Declination adjusted to about 13 deg East for N. California
Note camera was not square to compass so parallax makes it look
more like 18 degrees East.  Maybe best adjusted under a miroscope
to be sure viewpoint is square to compass?
Brunton
                    Truarc 3 Baseplate Compass Global Needle

I wanted a compass where the declination is made as an adjustment, so you do not need to think about it with every sighting.  This has adjustable delineation, and the added bonus of a global needle ( the words "Global Needle" are adjacent to needle not on it). 

Note the Tempest weather station needs to be aligned to True North.  From NOAA WMM-2025 or my location and 2025 Jan 21 the declination is 13 deg 24 min E.  Of course sighting the North Star will work.

YouTube: Brunton Compass - how to set magnetic declination, 6:48 -

4438568 Recreational compass, Melvin G. Kramer, Marlin Iden, Brunton Co, 1984-03-27, - box mirror TruArc 15, but not global needle

US Army Corps of Engineers compass (searching for patent)


GB189619600 An Improvement in and relating to Divided Circles for taking Bearings and such like purposes, Gilbert Legh, 1897-07-10 -  Slit with sighting hair in compass lid, but no rear sight.

736925 Instrument for ascertaining direction in marching or traveling Johann Von Bezard, 1903-08-25, -
920587 Compass, Anton Laube, 1909-05-04, -
920587 Compass, Anton Laube, 1909-05-04, - 
994901 Surveying and cruising instrument,
                    Joseph Barbow, 1911-06-13
994901 Surveying and cruising instrument, Joseph Barbow, 1911-06-13, -
GB103742 Improvements in Day and Night
                    Compasses, Gilbert Legh, 1917-02-08
GB103742 (eSpaceNet) Improvements in Day and Night Compasses, Gilbert Legh, 1917-02-08, -
K & L: Glass and index line near eye sight through
Metallic lid H carries a lens J for reading the scale and a slit for sighting an object.
The screw O is used to lock and unlock the compass card.


2108263 Compass, L Abee-Lund Johan Henrik, Abee
                    Lund As, 1938-02-15, - user adjustments for
                    declination and dip
2108263 Compass, L Abee-Lund Johan Henrik, Abee Lund As, 1938-02-15, - user adjustments for declination and dip.
2111829 Orientation Compass, F. Winterer, Mar
                    22, 1938, 33/272; 33/285
2111829 Orientation Compass, F. Winterer, Mar 22, 1938, 33/272; 33/285
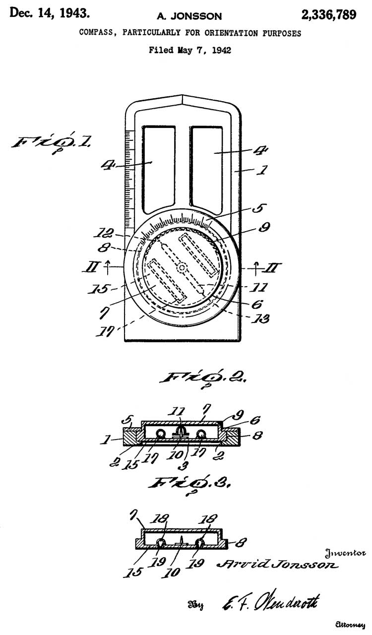
2336789 Compass, particularly for orientation
                    purposes, Jonsson Arvid, 1943-12-14
2336789 Compass, particularly for orientation purposes, Jonsson Arvid, 1943-12-14,
2336790 Orientation compass, Jonsson Arvid,
                    1943-12-14
2336790 Orientation compass, Jonsson Arvid, 1943-12-14,
2487044
                            Compass, W.C. Cude (US Army), Nov 8 1949,
                            33/348; 33/345; 33/349; 33/354; 33/357 -
                            Army Corps of Engineers Lensatic Compass
2487044
                            Compass, W.C. Cude (US Army), Nov 8 1949,
                            33/348; 33/345; 33/349; 33/354; 33/357 -
                            Army Corps of Engineers Lensatic Compass

2487044 Compass, W.C. Cude (US Army), Nov 8 1949, 33/348; 33/345; 33/349; 33/354; 33/357 - Army Corps of Engineers Lensatic Compass -second version with copper dampening cup and white case interior.
Case (1) is stamped aluminum.
Copper cup (31) supports conical pivot (32).  The cup may be of other electric conductive material, and also may be in the form of a ring.  The pivot (32) Supports a jewel mounted magnetic needle (33) having a length slightly less than the diametric measurement of the cup (3) for maximum flux cutting by the cup and to accommodate slight tilt angles, Such as 8 to 10 degrees.  The lensatic form has the interior of the cup (3) coated with a light reflective material such as White enamel, and a luminous segment (56) provided therein to assist in night reading.
Bezel ring (5) has 120 serrations (3 degrees per click).
Calls:
GB191029677 (eSpaceNet) Improved Means for Illuminating Compasses, Clinometers, and the like, Francis Barker & Son Ltd, 1911-10-19 - probably radium paint below transparent dial
GB191314083 (eSpaceNet) Improvements relating to Magnetic Compasses and like Instruments, Edwin Weeks Barker, 1914-03-19 - uses a radium compound for the illumination
GB191501818 Improvements relating to Magnetic Compasses, Francis Barker & Son Ltd, 1915-11-04 - inside of cover has luminous line and seperate sighting hole with wire.
2003179 Magnetic Compass, H.T. Faus (GE), May 28 1935, 33/345; 33/355.00R; 318/466; 318/647; D10/68 - uses 2 cylindrical bar magnets.  The composite bars comprise a central portion of high permeability material and end portions of high coercive force material. In this manner, the magnetic leakage flux is concentrated at the ends of the composite bars and the central portions of the bars are easily machinable to permit mounting of jewels or bearings for pivoting. The compasses are preferably mounted in cups of electrically conducting material coaxial with the pivot axis for the purpose of damping vibrations by the absorption of the energy of vibration as eddy currents in the electrically conducting material.
FR782576 (eSpaceNet) Compass refinements, 1933-12-11 - Base plate design, celluloid used to contain fluid to allow for expansion.
GB445312 (eSpaceNet) Improvements in and relating to compasses, Gunnar Tillander, 1936-04-07 - ribs inside the celluloid capsule help keep the fluid from rotating on this base plate compass.


This may be the same as the US Army Corps of Engineers Field Compass  W.W.II. no date
US Army Corps of Engineers Field
                            Compass W.W.II. no date
Model 1938 lensatic compass
Early model, no dampening.

Later models with dampening have white background on the compass card.

The M1950 has the look and feel of today's Cammenga 3H.
The surplus stores sold a cheap compass that looked very much like this.


2528339 Cruiser's compass, Collins Reginald,
                    1950-10-31
2528339 Cruiser's compass, Collins Reginald, 1950-10-31, - non-magnetic needle for pointing to objective, transparent bottom base plate,
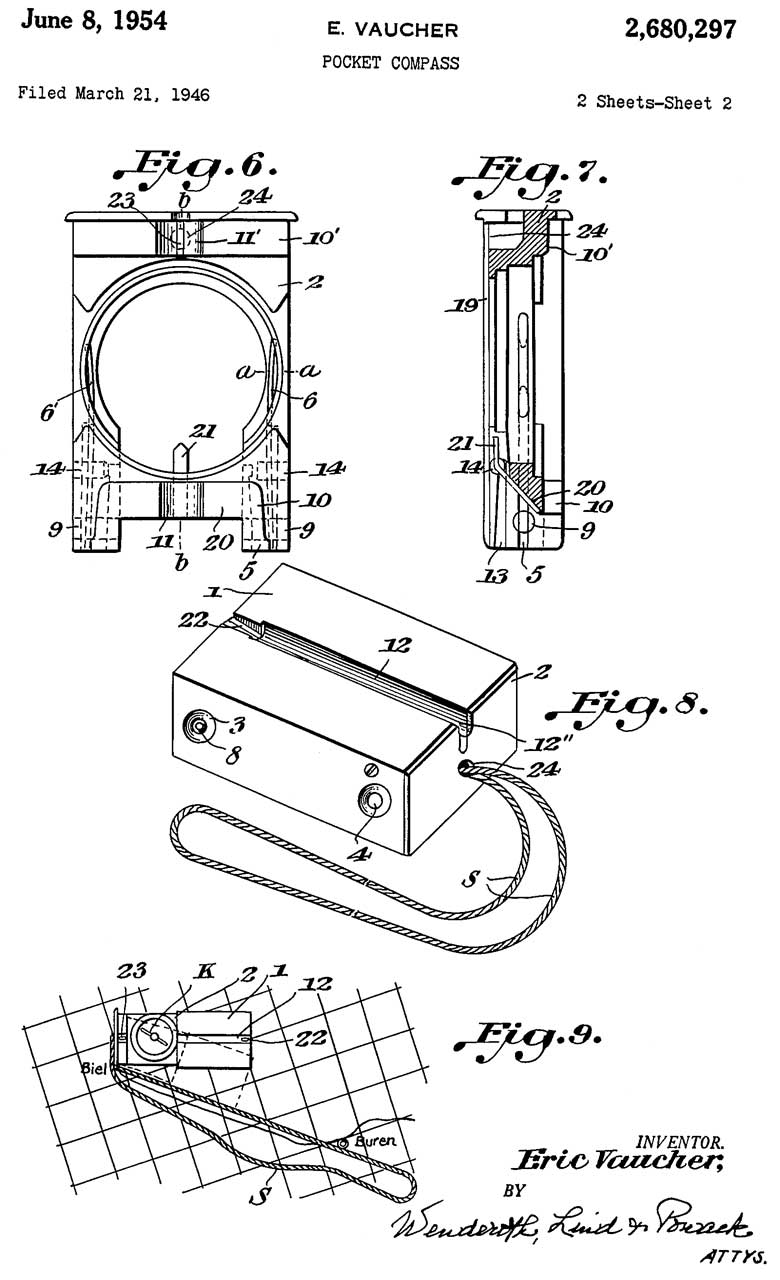
2680297
                            Pocket compass, Vaucher Eric, 1954-06-08
2680297
                            Pocket compass, Vaucher Eric, 1954-06-08

2680297 Pocket compass, Vaucher Eric, 1954-06-08, -

Suunto MB 6 Global -

Suunto MB 6 Instructions + improved military boxing technique, 21:05
2824382 Compasses, Sandberg Nils Henry,
                    1958-02-25
2824382 Compasses, Sandberg Nils Henry, 1958-02-25, -  means for rotatably se curing the compass-box to the ruler.
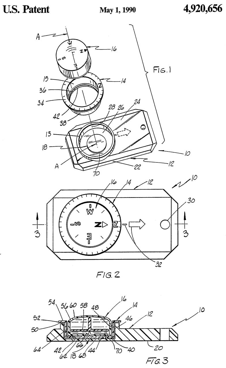
4920656 Compass assembly with dial biasing
                    disk, Gregory L. Cross, Sunoco, 1990-05-01, -
4920656 Compass assembly with dial biasing disk, Gregory L. Cross, Sunoco, 1990-05-01, -
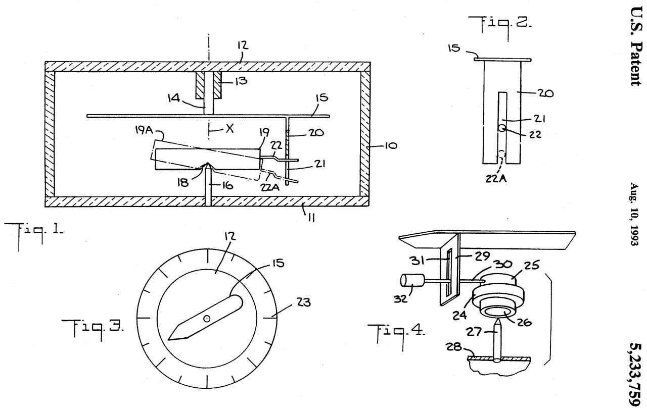
5233759 Compensating magnetic compass, Hans
                    Gloor, Denis Gigon, Recta AG, 1993-08-10
5233759 Compensating magnetic compass, Hans Gloor, Denis Gigon, Recta AG, 1993-08-10, - World Needle



M2 Pocket Transit Compass (Brunton)

M2 Pocket Transit Compass
M2 Pocket
                    Transit Compass
M2 Pocket
                    Transit Compass
This is a very high quality compass and inclinometer.  There are two versions of the dial, one is in degrees and the other is in Mils.  Which is the military degree measurement used for artillery, it is equivalent to 1 yard at a range of 1,000 yards.  For most compass uses the degree version is much more useful, but all the military M2 compasses are in Mils.  Mils is for milli radians (Wiki). 1 yard offset at 1,000 yards is 1 mil (NATO).

The degree dial can be rotated relative to the compass body.  On mine, shown above, I've offset the dial my the local magnetic variation (Wiki).  That way when the North pointer is at zero the compass is pointing to True North rather than Magnetic North.

TM 9-1596 Compass M2, 28 pages. PB 3214 - BSIR 1(9):385; 03/08/46 (Radio Nerds pdf)
TM 9-1290-333-15 Operator, Organizational, Field and Depot Maintenance Manual, Compass, Magnetic, Unmounted: M2, 7 Nov 1963. (Liberated Manuals pdf)

You can still buy this from Brunton in a number of different sizes it was originally patented by Brunton:

  526021 Pocket-transit, David W. Brunton, Sep 18, 1894, 356/142 ; 33/285; 356/147 -
1042079 Transit, David W Brunton Oct 22, 1912, 33/272, 356/143 -
1062582 Transit, David W Brunton, May 27, 1913, 33/272
1092822 Sight for transits and similar instruments, David W Brunton, Apr 14, 1914, 356/143, 356/142, 356/147
and later a version was patented by K&E
1571697   Transit, Bernegau Carl M (Keuffel & Esser Co), Feb 2 1926,  33/273, 33/352
There are a large number of replica "Brass" versions now for sale, who knows if they are even functional.
The M2 was/is used to setup artillery, mortar and other sites where you need a good magnetic bearing and also for rough field survey work.
1223615 Pocket Surveying Instrument, R.W. Richards, Apr 24 1917, 56/143 -
1339019 Illuminated Transit, D.W. Brunton, May 4 1920, 40/542; 33/285; 250/462.1 -
4395828 Combination geodetic transit compass and signal mirror, Allan P. Juhas, Aug 2, 1983,
                33/272,359/516,33/275.00R,116/20,33/348,359/558
4700490 Compass, Melvin G. Kramer, Marlin D. Iden, Brunton Co, 1987-10-20, - Global disk
4175333 Compass, Melvin G. Kramer, Brunton Co,1979-11-27, - design for Global operation and ruggedness
6516526 Pocket transit, Marlin D. Iden, Brunton Co, 2003-02-11, - Geo (Axis?) Transit

Marching

The Francis Barker M73 is a Marching compass.  I have asked them the size of a division since the data sheet says "accuracy by reading: one half of one division" but they did not say how man degrees in a division.  From photos it looks like 5 degrees per division, so accuracy may be 2.5 degrees?

Sperry Gyroscope Creagh Osborne Marching Compass MKVII  Mod. E

x
x

U.S.E.D.
(United States Engineering Department)
Creagh-Osborne
Marching Compass
 MKVII  Mod. E
Sperry Gyroscope Co.
Brooklyn, N.Y.

1216953 Magnetic Compass, F.O. Creagh-Osboren & A.J. Hughes, Feb 20 1917, 33/348; 33/364; 250/462.1; 359/441; 362/29 -
1256442 Magnetic Compass, F.O. Creagh-Osboren & A.J. Hughes,Feb 12 1918, 33/350; 33/357; 33/364 -

MC-1 Magnetic Compass Flight line Calibration Set

Works with 400 Hz "Y" connected synchro type sensors and indicators as used in aircraft.
Flux Valve is the name associated with the sensors.

Type MC-1, Compass Magnetic, Card, Pocket,  NSN: 6605-00-515-5637

04 June 84
DAAJ 09-82-C-B464

Compass
                    Magnetic, Card, Pocket, Type MC-1 NSN:
                    6605-00-515-5637
Fig 1 NSN: 5820-00-515-5637?
Contract date: 11/82
Compass
                      Magnetic, Card, Pocket, Type MC-1 NSN:
                      6605-00-515-5637
Fig 2
Compass
                      Magnetic, Card, Pocket, Type MC-1 NSN:
                      6605-00-515-5637
Fig 3 There appear to be "dots" making up all the white marks, but they do not glow in the dark or glow after shining a bright light.  What are they? let me know.
Compass
                      Magnetic, Card, Pocket, Type MC-1 NSN:
                      6605-00-515-5637
Fig 4 Compass Magnetic, Card, Pocket, Type MC-1 NSN: 6605-00-515-5637
04 June 84
DAAJ 09-82-C-B464
Compass
                      Magnetic, Card, Pocket, Type MC-1 NSN:
                      6605-00-515-5637
Instruction Sheet
Compass
                      Magnetic, Card, Pocket, Type MC-1 NSN:
                      6605-00-515-5637
Looking for a patent covering electromagnetic dampening of a compass. let me know the patent number.
2350402 Magnetic direction indicating instrument, Krasnow Shelley, Joseph M S Kaufman,1944-06-06, - liquid card type, but balanced moments of inertia for faster response.
2402638
                      Magnetic compass, Krasnow Shelley, Joseph M S
                      Kaufman, 1946-06-25
2402638 Magnetic compass, Krasnow Shelley, Joseph M S Kaufman, App: 1941-09-04, (W.W.II)  Pub: 1946-06-25, - electromagnetic damping instead of liquid

Joseph Kaufman has other Compass patents, including for the SC-1 Abrams Sun Compass.

2505776 Method of manufacture of hollow floats of thin metal for ship compasses, Joseph M S Kaufman, Krasnow Shelley, Josef A Schaerfi, App: 1941-07-11, (W.W.II) Pub: 1950-05-02 - mentions filling etched lines & numerals may be filled with luminous material.  So that may explain the appearance of them.

2638683 Magnetic compass, John B Reece, John P Putnam, Reece Corp, 1953-05-19, - "dead beat", electro-conductive dampening
3082663 Multi-purpose magnetic pocket compass, Zweifel Peter, 1963-03-26, - liquid dampening

Surveying

The surveying transit evolved from a compass coupled to a telescope.  Almost all transits have a compass built in so that magnetic North can be indicated and true North can then be determined. Because of this the frame must be non ferrous.  Most are brass.
Leitz 115A Transit
M3 Coil Magnetic Survey Instrument & Ruska Helmholtz Coil for calibration

Wrist Computer

Vector by Suunto - contains clock with time, date, alarms, magnetic compass, barometric pressure & altitude as well as temperature.

3 Axis Earth's Field

info wanted on this unit

Type 1811-1-B Aircraft Flux Gate Compass

Pioneer
            Instrument Type 1811-1-B Aircraft Compass

2188821 Compass, Bendix Aviation, Jan 30, 1940, 362/30; 33/348; 246/1.00C; 385/147 - illumination Looks like Type 188-1-B
1939374 Liquid Compass, A. Urfer (Pioneer Instrument Co), Dec 12, 1933, 33/364 - allow for expansion/contraction of fluid.
1679764 Magnetic Compass,  Charles H Colvin, Pioneer Instrument, 1928-08-07, 33/364 - improved magnetic element
1334273 Magnetic Compass,  C.H. Colvin, Mar 16 1920, 33/364 - readable from side or top for aircraft use
1983103 Magnetic Compass, C.L. Seward Jr (Bendix Aviation), Dec 4, 1934, 248/638; 33/350 - aircraft shock absorbing and keeping the card from spinning
1873684 Compass, A. Urfer (Pioneer Instrument Co), Aug 23 1932, 33/348; 33/555; 246/1.00C; 385/147 - light pipe to liquid aircraft compass
2008475 Spring Mounting, G. Spiller (Bendix Aviation), Jul 16, 1935, - aircraft use pivot pin support
1910092 Instrument Cover Glass, C.H. Colvin (Pioneer Instrument Co), May 23, 1933, 362/23; 33/364; 359/601 - old convex glass reflects light
2008481 Magnetic Compass, P.F. Weber, W.E. Dankau (Bendix Aviation), Jul 16, 1935, 33/364 -
2127807 Indicating Instrument, V.E. Carbonara (Bendix Aviation), Aug 23, 1938, 116/287; 33/348; 116/299; 359/440 -
1596639 Compass for Navigation Purposes, Vion Eugene, , Aug 17, 1926, 33/359; 324/244 -

2222627 Compass, Naecker William, 1940-11-26, - 4 magnetic rods that can be adjusted.

Bendix D-12 Compass

The list of patents on the D-12 appears to be the same as the list on the Type 1811-1-B.

1596639 Compass for navigation purposes, see above
1679764 Magnetic compass, see above
1873684 Compass, see above
1910092 Instrument cover-glass see above
1939374 Liquid compass see above
1983103 Magnetic compass see above
2008475 Spring Mounting, see above
2008481 Magnetic Compass, see above
2127807 Indicating Instrument, see above
2188821 Compass, see above

Aircraft Standby Compass

Aircraft Pilot's
              Standby Magnetic Compass


1474394 Magnetic compass, James P Warburg, US Government, 1923-11-20, - 

2003179
2127878
1334273

Earth Induction Compass (Wiki)

Earth Induction Compass

 (see Magnetics) - a coil rotating in the Earth's filed was used for the first half of 1900s as an aircraft compass.

Also see Pioneer Instrument Co - acquired by the Bendix Aviation Corporation (Wiki) in 1928.

1047157 Device for Determining Direction, D.M. Bliss, Dec 17, 1912, 33/362; 324/257 - The Earth provides the magnetic filed and a rotating coil (could be powered by the air going past an airplane) generates a voltage that depends on the relative heading of the plane.
1472342 Electromagnetic compass, Pickard Greenleaf Whittier, Wireless Specialty Apparatus, 1923-10-30, 33/362; 324/257 -
1886336 Induction compass, Gunn Ross (Wiki), 1932-11-01, -
1963551 Inductor compass, Gunn Ross, Bendix Research Corp, 1934-06-19, -
1970543 Navigating instrument, Victor E Carbonara, Pioneer Instr Co Inc, 1934-08-21, 356/148; 33/348 -
2054318 Compass, Gunn Ross, 1936-09-15, -
2434324 Earth Inductor Compass, H. Ledhe, Control Instrument Co, Jan 13, 1948, 33/362; 318/647 -  crystals vibrating to move sense coils

Tank

eBay listing "WW2 ARMORED VEHICLE COMPASS , TANK , LANDING VEHICLE , ETC. Pioneer instruments" has photo with these patent numbers:
2188821 Compass, Gregory V Rylsky, Bendix Aviation Corp, 1940-01-30 - illumination
Bendix Aviation Corp,
1679764 Magnetic compass, Charles H Colvin, PIONEER INSTR Co, 1928-08-07 -  compass card construction
1873684 Compass, Urfer Adolf, PIONEER INSTR Co, 1932-08-23 - illumination
1910092 Instrument cover-glass, Charles H Colvin, PIONEER INSTR Co, 1933-05-23 - special shape to minimize reflections and allow lighting
1939374 Liquid compass, Urfer Adolf, PIONEER INSTR Co, 1933-12-12 - expansion chamber
1983103 Magnetic compass, Jr Clarence Lee Seward, Bendix Aviation Corp, vibration reducing mounting 
2008475 Spring mounting, Spiller Gerhard, Bendix Aviation Corp, 1935-07-16 - vibration reducing mounting
2008481 Magnetic compass, Philip F Weber, Walter E Dankau, Bendix Aviation Corp, 1935-07-16 - card buoyed by liquid and jeweled bearing
2127807 Indicating instrument, Victor E Carbonara, Bendix Aviation Corp, 1938-08-23 - feels like the standby compass, illumination 

1596639 Compass for navigation purposes,Vion Eugene , 1926-08-17 - compensation for vehicle hard & soft errors - the key for a Tank compass (if possible?)
2227368 Illuminating adapter for instruments, Gregory V Rylsky, Bendix Aviation Corp, 1940-12-31 - add-on illumination

Francis Barker - M73 Marching - NATO Survival (Datasheet) - 

Francis
                    Barker NATO Survival Compass NSN: 6605-99-500-3822

Francis Barker NATO Survival Compass

Luminous dots, not Tritium (on purpose)
NSN: 6605-99-500-3822

CIA: Concealed Compass - can be hidden in cuff inks or uniform button.

Getting "Un-Lost" + NATO survival compass, 15:58 -



These are very accurate British military compasses, but not for use with map a map.
GB190915472 eSpaceNet An Improved Instrument for Surveying and like purposes, Francis Barker and Son, 1910-07-04, - for surveying
GB191322499 eSpaceNet An Improved Pocket Theodolite, Francis Barker & Son, 1914-07-23, - for surveying
GB191501818 eSpaceNet Improvements relating to Magnetic Compasses, Francis Barker & Son,1915-11-04, - folding pocket compass, radium dots, round case, not straight edges.

Optical

Astro-Compass

By manually sighting a star or the Sun the direction of true North can be determined.  This instrument was typically used in aircraft and was held in a "bubble"aka dome  requiring the optical distortion effects of the bubble to be corrected.

Periscopic Sextant

The periscope was mounted in a hole in the top of the plane and was out in the outside air.  It thus did not require any "bubble" correction and was much easier to use.  A huge improvement over the classical nautical sextant (Wiki) is the inclusion of a clockwork averager that makes the resulting elevation measurement more accurate.

Automatic Astro-Compass MD1

This unit has a star tracker assembly with its own glass "bubble" and is pressurized, probably with dry Nitrogen, to prevent fogging of the optics.  It has a larger prism at the objective end than the periscopic sextant, probably to gather more light for the photomultiplier tubes that detect the star.  This model may not be able to track stars in the daytime, but later versions could.

Transit Surveying Instruments

For centuries surveyors have used the Sun and stars to determine true North.  To do this there are attachments for transits to allow imaging the Sun without damage to the users eye(s).

Leitz 115A Engineers Transit  uses the older 3½" x 8 thread tripod

Theodolite

Similar to the transit but with the addition of optical angle readout instead of Vernier readout.  See Dividing Engines.  This allows much more precision.

K&E Hand Level

This is a very early square tube unit with no optics except for a first surface mirror to view the bubble from the bottom.  I think is was build is such a way as to avoid the Locke patent 7477 hand level that K&E later offered after the patent ran out.

T. F. Randolph Level

Compact tripod mounted leveling scope with cross hairs and spirit level, with 1884 patent 297164 date. In a patented seamless leather box.

Alidades

These instruments are similar to a surveyors transit except instead of mounting on a tripod they are held by a ruler.  There is no horizontal angle measuring ability, instead a ruler parallel to the line os sight is used to draw a line on the map directly in the field.  The method of Stadia is used to determine the distance to the rod.  This was the primary tool used in the U.S. to make topo maps for many years.

K&E 76 0000 Alidade - self indexing (auto leveling) and built in trig for horizontal and vertical distance based on stadia reading.

Celestial Navigation Trainer _ moved to Aircraft

- also see Aircraft\Simulators which has many more Link patents related to celestial navigation.

Pocket (Box) Sextant

This appears in the movie First Man (IMDB, Wiki) at 39:11 with Neil Armstrong, sighting the moon with a Box Sextant but used in the conventional manner, i.e. measuring the angle between the moon and and the horizon.  But there is little if any benefit in doing that.  On the other hand if he was making lunar distance (Wiki) measurements between the moon and a star, or better measurements between two navigation stars that would be excellent practice in finding the navigation stars that were the heart of the Apollo Guidance Computer (AGC) (Wiki).

YouTube: Apollo AGC Part 1: Restoring the computer that put man on the Moon - a 23 part series that follows the effort that got it working. 
The main inputs to the Apollo Guidance Computer are a Sextant and gyroscope based Inertial Measurement Unit (IMU).

Note the Wiki lunar distance page shows a vertical measurement, but most lunar distance measurements have the sextant in a horizontal position.  Someone practicing  Celestial navigation for space  (Wiki) would be concerned about the angle between two navigation stars. Note that there is no horizon when you are in space.

I don't think calling this a sextant is correct since a sextant typically measures an angle between a star and the horizon.  They often include artificial horizon capability.  While a conventional sextant can be used to make lunar distance measurements, it is heavier than needed and so not optimized.  The box sextant has nothing special for the horizon and so maybe could be called a transit?  There is no horizon in space.

YouTube: Computer for Apollo 29:05 -
YouTube: Apollo Program Guidance and Naviagtion Systems 79974; 6:39 - video of view through AGC sextant.
Space Craft Archive: The Star Charts of Apollo -
Smithsonian - Apollo Sextant and Eye Piece - Navigating In Space - Star Chart (Navigation stars are larger and have a 2-digit code for the computer. The Earth is huge.) - Time and Navigation.ppt - Apollo Guidance Computer (MIT) -
NASA: Apollo Operations Handbook, Section 2, Subsection 2.2, Guidance and Navigation (G&N).pdf - Apollo Documents - The Apollo Lunar Module Alignment Optical Telescope -
New atlas: Apollo’s brain: The computer that guided man to the Moon -
Humboldt State University: Drum (“Snuffbox”) Sextant & Leather Case - 1797 Description of a New Pocket Box Sextant, and an Artificial Horizon, by the Editor.pdf -
Geometrical and Graphical essays, containing, a general description...Box Sextant.pdf
Frederick Walter Simms, A Treatise on the Principle Mathematical Instruments Employed in Surveying, Leveling, and Astronomy, Troughton & Simms, London (1834).pdf

Sextant Book: A Francis Barker Yachting Sextant -
India Reproductions: Brass Compass: Box Sextants -
YouTube: Build an electroluminescent glass panel display -- an Apollo DSKY "dis-key" - DiSplay KeYboard - Wiki -

Description

The mechanism is very similar to a split image rangefinder.  Except instead of the calibration being in distance it is an angle in degrees.

Patents

213018 Improvement in surveying-instruments, H.S.S. Watkin, Mar 4, 1879 - A rangefinder packaged "like an ordinary box sextant".
 
eBay seller: marineantiques16 - Items for sale - This is a high quality item, not the normal made in India cheap brass.

First Man (IMDB, Wiki) 39:11
First Man 39:11
                    Box Sextant
Reproduction Box Sextant from eBay seller marineantiques16
eBay title: "Antique Maritime Brass Pocket Sextant Vintage Working Drum Box Sextant in Cover" 232430184445 "This is a Reproduction Item, Not Sold As Antique."
Cassell's Cyclopaedia Of Mechanics
- Use Of The Box Sextant In Surveying -
Cassell's Cyclopaedia Of Mechanics - Use Of The
                    Box Sextant In Surveying -
Fig 1 Leather case 3-12" dia x 2" thick,  1 # 6 oz.
Pocket (Box)
                    Sextant
Fig 2Brass box 3" dia x 1-1/8" thick.
Pocket (Box)
                    Sextant
Fig 3Verneer scale magifing glass folds down.
The lever at 5 O:clock is for a sun filter.
Knob at left is wrench for square peg adjustments.
Large knob at right turns measurement mirror (C).
Pocket (Box)
                    Sextant
Fig 4  Measuring Mirror (C) at left,
filter at center,
Fixed Mirror (B) at right.
Pocket (Box)
                    Sextant
Fig 5
Pocket (Box)
                    Sextant

Apollo Program Star List

The Apollo stars are numbered in order of Right Ascension (Wiki) (left to right on the star chart).  They appear to be Octal numbers (Wiki), not decimal.
In the right column is a modern list of 58 navigation stars (Wiki).
USNO - Navigational Star Chart - prints on 11 x 8.5 paper.

In addition to the list of stars there were also 19 Lunar Landmarks and Earth Landmarks.
On 1 July 1969 at 1530 EDT Program 23 CisLunar was used to sight stars 02, 40, 44, 44 & 45.  Reference Final Apollo Flight Plan, July 1, 1969, pg 3-7.
In Apollo Navigation, Guidance, and Control Systems: A Progress Report by David Hoag April 1969 there is a little discussion of how well the AGC compared with the gold standard ground tracking radars.  Pretty good agreement.
MIT Instrumentation Laboratory:
Space Guidance Analysis Memo #34-64 "Orbital Navigation Using Unknown Landmarks" Aug 20, 1964 - it turns out this is very difficult if not impossible because of the speed of the space vehicle relative to the Earth.

Apollo
#

Name (Wiki)
RA
Dec
Nav Star List #
USNO
00
Planet



01
Alpheratz
 00h 08m 23.25988s +29° 05′ 25.5520″ 1
02
Diphda
 00h 43m 35.37090s –17° 59′ 11.7827″ 4
03
Navi
 00h 56m 42.50108s +60° 43′ 00.2984″ na
04
Achernar
01h 37m 42.84548s –57° 14′ 12.3101″ 5
05
Polaris
02h 31m 49.09s +89° 15′ 50.8″ <not numbered>
06
Acamar
02h 58m 15.67525s −40° 18′ 16.8524″ 7
07
Menkar
03h 02m 16.77307s +04° 05′ 23.0596″ 8
08
<not used>



09
<not used>



10
Mirfak 03h 24m 19.37009s +49° 51′ 40.2455″ 9
11
Aldebaran
04h 35m 55.23907s +16° 30′ 33.4885″ 10
12
Rigel
05h 14m 32.27210s −08° 12′ 05.8981″ 11
13
Capella
05h 16m 41.35871s +45° 59′ 52.7693″ 12
14
Canopus
 06h 23m 57.10988s −52° 41′ 44.3810″ 17
15
Sirius
06h 45m 08.91728s −16° 42′ 58.0171″ 18
16
Procyon
07h 39m 18.11950s +05° 13′ 29.9552″ 20
17
Regor
08h 09m 31.95013s –47° 20′ 11.7108″ na
18
<not used>



19
<not used>



20
Dnoces
08h 59m 12.45362s +48° 02′ 30.5741″ na
21
Alphard
09h 27m 35.2433s −08° 39′ 30.969″ 25
22
Regulus
10h 08m 22.311s +11° 58′ 01.95″ 26
23
Denebola
11h 49m 03.57834s +14° 34′ 19.4090″ 28
24
Gienah
12h 15m 48.37081s –17° 32′ 30.9496″ 29
25
Acrux
12h 26m 35.89522s −63° 05′ 56.7343″ 30
26
Spica
13h 25m 11.579s −11° 09′ 40.75″ 33
27
Alkaid
13h 47m 32.43776s +49° 18′ 47.7602″ 34
28
<not used>



29
<not used>



30
Menkent
14h 06m 40.94752s –36° 22′ 11.8371″ 36
31
Arcturus
14h 15m 39.7s +19° 10′ 56″ 37
32
Alphecca
15h 34m 41.268s +26° 42′ 52.89″ 41
33
Antares
16h 29m 24.45970s −26° 25′ 55.2094″ 42
34
Atria
16h 48m 39.89508s –69° 01′ 39.7626″ 43
35
Rasalhague
17h 34m 56.06945s +12° 33′ 36.1346″ 46
36
Vega 18h 36m 56.33635s +38° 47′ 01.2802″ 49
37
Nunki
18h 55m 15.92650s –26° 17′ 48.2068″ 50
38
<not used>



39
<not used>



40
Altair
19h 50m 46.99855s +08° 52′ 05.9563″ 51
41
Dabih
20h21m00.7s −14°46′53″ na
42
Peacock 20h 25m 38.85705s −56° 44′ 06.3230″ 52
43
Deneb
20h 41m 25.9s +45° 16′ 49″ 53
44
Enif
21h 44m 11.15614s +09° 52′ 30.0311″ 54
45
Fomalhaut
22h 57m 39.0465s −29° 37′ 20.050″ 56
46
Sun



47
Earth



48
<not used>



49
<not used>



50
Moon



Note: Apollo star numbers ending with 8 or 9 are not used.  That implies that the computer used octal numbers (Wiki) rather than decimal numbers.

Brass English Pocket Sextant, Unsigned, Early 1900's

From an estate sale (garygermer: The Peter Abrahams Science & Astronomy Estate) that included telescopes, binoculars, surveying instruments and other optics.
At the bottom of the lid was a copy of "The Box or Pocket Sextant" from The Civil Engineer's Pocket Book (pg 297 <pdf pg 370>. BepSextant.pdf

Fig 1 The bottom of the sextant is threaded so
the can will screw onto the bottom
Stamped:  "No 3511"
Brass English
                    Pocket Sextant, Unsigned, Early 1900's
Fig 2 Telescope needs to be pulled out just the
right amount to focus.  The magnifying glass
hinges up to read scale.
Brass English
                    Pocket Sextant, Unsigned, Early 1900's
Fig 3
Brass English
                    Pocket Sextant, Unsigned, Early 1900's
Fig 4 Alignment tool sitting on an square pin.
Brass English
                    Pocket Sextant, Unsigned, Early 1900's


Patents
Class 356/20: Optics: Measuring and Testing: Range or Remote Distance Finding\External basis type

213018 Surveying Instrument, H.S.S. Watkin, 1879-03-04, 356/20 - oldest U.S. patent in class 356/20 - in rectangular box
504869 Instrument for Measuring Distances and Solving Trigonometrical Problems, E. Falletti, 1893-09-12, 356/20 - sort of like the box sextant

Photographic Zenith Tube (PZT)

For some time this was the pinnacle of measuring - setting the time at observatories.
A pool of Mercury used as a reflector so scope points straight up.  Photographic glass plates exposed four times and after developing read out on a type of coordinate measuring machine to learn the local clock error to within fractions of a second.

Replaced by the Danjon Astrolab (Wiki)  An instrument that measures the time when a star crosses a number of meridians that are at an angle, not necessarily the local meridian.  The idea being to make more measurements on stars that are more convenient to measure.

Ultimately replaced by atomic clocks.

StellarTime Measuring the time for the Earth to make one turn.

The Pendulum Astrolabe is similar to the Danjon Astrolab.

20120116711 Portable celestial compass, Donald Bruns, Timothy Brinkley, Trex Enterprises, 2012-05-10, - based on the military M-25 image stabilized binoculars.
8471906 Miniature celestial direction detection system, Mikhail BelenkiiDonald BrunsTimothy Brinkley, Trex Enterprises, 2013-06-25, - an applique for image stabilized binoculars that has a TV camera looking up (Analog Devices ADIS 162097 tilt sensor) and fisheye lens.
"The Victor 21 binoculars, available off-the-shelf from Vertronix (Vector IV) with offices in Heersbrugg, Switzerland are stabilized by a precision miniature gyroscope mounted on a gimbaled platform in the middle of the optical pathway. A gyro stabilized binocular rejects almost all image motion caused by hand tremorand platform vibration. It has a 7x magnification and stabilization freedom of +8 degree. A laser range finder uses a miniature eye safe laser, which is capable of sending a beam out to several kilometers and it provides good signal to-noise ratio without placing a high burden on the power Supply. The laser rangefinder has an accuracy of +/-2 m at 5 km range. For target identification and location the Victor 21 binoculars can are equipped with a digital magnetic compass and co-located with a GPS unit (PLGR, DAGR). The digital magnetic compass mounted on the binoculars provides an azimuth and elevation angle (in digital format) of the binocular pointing direction and the laser range finder provides the range to the target, all relative to the location of the binoculars and the GPS unit provides the location of the binoculars in latitude and longitude. Existing computer software is available for quickly determining the latitude, longitude and elevation (above sea level) of the target from a combination of the information provided by the digital magnetic compass, the range finder and the GPS unit."

Uses a daytime camera to locate the Sun and a couple of nighttime cameras for the moon and stars.  Ten times better than a magnetic compass.
WO2016151574 Celestial compass and methods of use and calibration, Yifrach AHARON, IAI, 2016-09-29, -

Abram's Sun Compass

This is a Sundial that has been designed to find North when the date-time and location is known. It will work when mounted on vehicles and tanks whose ferrous metal content renders a normal magnetic compass useless.
TM5-9422 Compass Universal type Abrams SC-1
BTO/3/91 may be the UK patent
It's fundamentally a pole that's plumb and the tip of it's shadow falls on a flat metal plate (circular bubble level vial on plate).

Dent Meridian Instrument - Dipleidscope

Used to establish the time of meridian passage of the Sun or a star to set a local clock.

Chinese Sun Dial and Compass

Sextant, Aircraft

MA-2
AN-5851-1
A-10A Bubble sextant used by Army Air corps Navigator in B25s during WW2
A-12
S5807 Periscopic Aircraft Sextant & Skylight Compass

Sun

The Sun has been used to find compass directions back as far as recorded history.  There are many way this can be done with a considerable variation in the precision of the resulting "fix".  See also my Sundials web page.

20120116711 Portable celestial compass, Donald Bruns, Timothy Brinkley, Trex Enterprises Corp, 2008-09-15 - a precision orientation system based on the Sun or Moon.
Key words: Hand Held Compass, True North Module,  Measurement error of a magnetic compass typically is 5-10 milliradians. This corresponds to the TLE of 25-50 meters at a 5 km range.
20150042793 Celestial Compass with sky polarization, Mikhail BelenkiiLawrence SverdrupVladimir Kolinko,  Trex Enterprises Corp, 2013-08-12 - details of optical system
20090177398 Angles only navigation system, Mikhail Belenkii, Donald Bruns, Timothy Brinkley, George Kaplan, Trex Enterprises Corp, 2009-01-08 - Automated Celestial Navigation System
Evaluation of a New Prototype Geodetic Astrolabe for Measuring Deflections of the Vertical -
20100283840 Miniature celestial direction detection system,
20070117078 Celestial compass,
7349804 Daytime stellar imager,
Trex Enterprises Corp ,2008-03-25
3290933 Navigation systems
, 1965-10-18 - satellite
2999939 Position detector,GENERAL PRECISION Inc,1957-05-23 -  automatic sextant, few moving parts,
2713134 Radiant energy controlled follow-up system, Jr Howard J Eckweiler    KOLLSMAN INSTR CORP, 1955-07-12 -  , 

Pilot Balloon Observation (Pibal) Theodolites (mirror web site)

The Warren Knight Pibal  theodolites are used to track balloons as they rise for learning about the speed and direction of the winds aloft.
These might be a good choice for finding true North or ob=serving stars that are high overhead since with most designs you look in a horizontal direction and the scope objective points up using a rotary joint.  It's impossible with a classic theodolite to look directly overhead or even near directly overhead because you can not get you head inside the instrument.  To do that requires a right angle adapter for the eyepiece that will also allow the instrument to swing all the way around.
With a classical transit or theodolite it's almost impossible to look at something at a high angle since the eyepiece goes inside the base of the instrument.

Patents

1446574 Nephoscope, Mcadie Alexander, May 19, 1921, 33/284, 356/27, 33/1.00R - to track cloud movements
1743979 Sextant, Lawrence Radfordi (K&E), Feb 12, 1927, 356/146, 356/148, 362/23.1 -
1967541 Balloon theodolite, Schout Cornelius (Zeiss Carl Fa), Mar 23, 1931, 356/251, 33/274 - classical horizontal viewing port
2651560 Observing apparatus, particularly for observing objects moving in space, Alfred Gerber (Contraves Ag), Jul 5, 1945 -

Stellar Time Keeping

Similar in concept to the Automatic Astro Compass, but instead of tracking a single known star a scanner looks at the star field and figures out either where it is or what time it is.  Was looking for information on the Danjon Astrolabe, but so far have not found any info on how it works.

Stars

USNO - Navigational Star Chart - prints on 11 x 8.5 paper.
Field Manual 6-2 (FM 6-2) Artillery Survey, Appendix 5 Star Rate Index has interesting information on choosing stars for surveying purposes using the Navigational Star Chart.  It works by using a overlay on the Navigational Star Chart that depends on your latitude.  The overlay is marked in zones A to D where zone A is the best choice and D the poorest.

Philip Weems

P.V.H. Weems (Wiki) "a United States Navy officer, inventor of navigational instruments and methods, including the Weems Plotter and the Second Setting Watch,[1] and author of navigational textbooks."
A number of these patents look are the genesis of the Weems Plotter; aka: E6_B Flight Computer (Wiki).

1917278 Line of position and wind drift plotter, Weems Philip Van Horn, 1933-07-11, -

1964012 Speed and drift indicator, Weems Philip Van Horn, Harold C Gatty, 1934-06-26

1985907 Navigational instrument, Weems Philip Van Horn,1935-01-01, -
2008734 Method of and apparatus for navigators'
                    time keeping, Weems Philip Van Horn,1935-07-23
2008734 Method of and apparatus for navigators' time keeping, Weems Philip Van Horn,1935-07-23 - clockwork includes a ball & disk integrator used as a variable speed transmission  for the rate setting stem (31 &33 for both clock mechanisms).  This is the "Weems Second Setting Watch"

Weems Second Setting Watch Blueprint - This blueprint may have been drawn based on this patent rather than being a drawing from a second patent.

The Lindbergh Hour Angle Watch was based on Weems. "The idea of simplifying celestial navigation by using Hour Angle and declination instead of altitude and azimuth was first suggested by Weems,..."  The Lindbergh watch has hour angle associated with the time, for example 4:00 o'clock = 60 degrees.  The bezel rotates and so that the Equation Of Time (Wiki) can be applied to get sun time rather than mean time.  The watch can be purchased regulated to standard time or sidereal time. 

Weems Navigational Watch (Smithsonian)

"Star Altitude Curves" (Smithsonian) a book published by Weems.  This may be key in operating the Pendulum Astrolabe.


2049096 Drift and ground speed meter, Philip V H Weems, Henrich Robert, 1936-07-28, -

2143042 Method of and apparatus for navigation, Weems Philip Van Horn, 1939-01-10, - 6

2233440 Chart and method of construction thereof, Philip V H Weems, 1941-03-04, -

2531248 Position finder, Belch Keith Rogers, Weems Navigation, 1950-11-21, -

2946256 Angular bearing instrument and mechanism for angular adjustment, Tiffany Carter, Weems System of Navigation, 1960-07-26, -

3002278 Method for space navigation, Philip V H Weems, 1961-10-03, -

Also looking for:
Willis
1845860 Navigating instrument, Willis Edward Jones, 1932-02-16, - all mechanical, ?function
2762123 Navigation system, Oscar T Schultz, Larkin B Scott, Willis G Wing, Sperry, 1956-09-11, - stabilized platform inertial nav & star tracker

Healey

Atom Interferometer

2024 The GPS aided munitions used in Ukraine worked for a month or two then Russian high power jammers (Wiki) were brought in and these weapons stopped working and it made more sense to go back to dumb munitions.  There's development on many fronts to get around this problem and Atom Interferometry is one possible solution.  It allows making a six degree of freedom sensor (3-axis of accelerometers and 3-axis of gyroscopes) that maybe a thousand times more sensitive than current sensors.
Sandia LabNews: The mother of all motion sensors -
ScienceAdvances: High-performance silicon photonic single-sideband modulators for cold-atom interferometry -
11545815 Compact laser source with frequency modulators generating multiple lines, Anthony L. Lentine, Grant Biedermann, Michael Gehl, Christopher DeRose, Jongmin Lee, Kevin Michael Fortier, National Technology and Engineering Solutions of Sandia, 2023-01-03, -

Radio

Omega

This was a system operating in the frequency range around 10 to 15 kHz.  Ships at sea could keep track of their position in a "lane" defined by the phase of the signal.  System became obsolete with the deployment of GPS.

Bearing

Radio Receiving Set AN/TRQ-23

Army field set for getting DF bearings covering the HF, VHF and UHF frequency ranges.  Uses antennas rotating up to 150 RPM and a CRT display.  Will provide a bearing even with a very short transmission.

AT-339/PRC

38 - 55.4 MHz DF Loop Antenna

PRD-1

This is an H.F. radio receiver with a loop and sense vertical antenna system designed to determine the bearing to a station.

Non Directional Beacons

These are located on or near airports and send a carrier and single sideband CW ID in the 200 to 400 kHz range.  Aircraft can tune into the carrier and get an indication of the bearing to the station.

ARN-83

Very similar to the ARN-89.
ARM-93 Test set.
LF Automatic Radio Direction Finder Set; manufactured by Collins; used in A-37, C-2, UH-1, AH-1T, VH-3A, OH-6, P-3, S-3, OV-10, U-8F, U-21A

ARN-89

Vietnam era helicopter 100 to 3,000 kHz frequency coverage direction finding receiver. can use NDB, AM broadcast stations or other signals in this frequency range.

Light Weight Beacon

Viet Nam era. Transmits a programmable ID on a frequency in the 265 to 535 kHz range and includes a 50 foot antenna with no part longer than 19 inches.  The complete system is in one back pack.  Most likely made for use with the ARN-89.

Doppler RADAR (Wiki)

Developed for large aircraft (not allowed to fly with belly up since that would break RADAR beam to ground).  Three or four radar beams would be aimed at the ground and the Doppler (Wiki) signals on the beams would be translated into the horizontal and vertical aircraft position allowing navigation.  See Doppler Nav AN/APN-81)
Ref 1. Investigation of Active Doppler Velocity Sensor 1963 (AD0407250.pdf), 57 pages - for use landing on planets
Ref 2. Air and Space Museum: Kollsman APN-67 experimental display.
Ref 3. C141 Section 6, Ch 16 Doppler Radar - APN-67 (section_6_16_doppler_radar.pdf)
Ref 4. History of Doppler Radar Navigation, Walter R. Fried, 1993,

LORAN (Wiki)

The W.W.II Loran-A system operated around 1.8 MHz was replaced with the Loran-C system operating with pulsed signals on 100 kHz.  Maybe Loran-B was an idea that never was made operational?  There are a number of "chains" consisting of 3 to 5 stations with all the stations in a chain using the same Group Repetition Interval (GRI).   If a scope is triggered from a GRI generator the stations is that chain will appear as pulses with different fixed times on the horizontal axis while the pulses from stations using other GRI values will be jumping around.  Until GPS this was the most accurate system for positioning and for time transfer. 
2005 - It looks like Loran-C will be used for aviation safety providing a redundant system to support automatic landings.  Other systems like the Russian or European equivalent to GPS are not good candidates because a jammer for GPS would also take them out.

The U.S. LORAN-C system was shut down on 08 Feb 2010.
March 2012 - there is some LORAN-C acitivity in a test phase for an alternate to GPS for critical timing applications.

YouTube:

Table of Loarn-C Chain Stations -

Loran Patents 

Micrologic SportNav with MGRS

This hand held unit was for use in the Operation Desert Storm/Shield area by the U.S. military.

PSN-6

This is designed to attach to either a PRC-25 or PRC-77 back pack VHF low band transmitter receiver and report position via radio.  Also receives Loran-D which must be a temporary system that the military could put in place.
Austron 2100F LORAN-C Frequency Monitor - for precise Frequency
Austron 2100T LORAN-C Timing Receiver - for precise time
Austron 2042 LORAN-C Simulator -
Lorchron LORAN-C Timing Receiver LFT-504 - for precise timing
TI 9100 Aircraft Receiver

Sputnik

When Sputnik was launched in 1962 the Doppler signal was used by scientists at Princeton to determine the orbital parameters of the satellite.  They quickly realized that if a satellite was to transmit its orbital parameters then a person on the Earth could determine their position.  This was the basis for the Transit Satellite Navigation System. 

Transit

There were only a small number of satellites transmitting on 150 and 400 MHz.  A submarine whose inertial navigation system had drifted could receive the Transit pass which took maybe 15 to 30 minutes and then update their inertial system.  This system required a very high quality = expensive (atomic) clock. was being developed one of the parameters was to eliminate the need for an expensive clock.
A 120 to 170 MHz eggbeater antenna would allow reception of the Transit signal on a vehicle.

"The modulation of the satellite signals was recovered in the AN/BRN-3 from whichever channel (150 or 400 MHz) was being received with the best SNR. The modulation provided 6103 bits of information every 2 min ( 50.85 bits per second) and a beep-time index every 2 min, decomposed into 156 words of 39 bits."

33 or 39 bits?

MX 4102 Satellite Navigation receiver by Magnavox

Johns Hopkins Applied Physics Lab Technical Digest January-Marc 1998, Volume 19, Number 1 - Transit

3172108 Method of navigation, Frank T McClure, 342/451, 701/469
                TRANSIT navigation system.

3091079
Propulsion engine with electromagnetic means to produce propellant acceleration, Kunen Alfred E, Republic Aviation Corp, May 28, 1963
Pulsed Plasma thrusters with 14 year life based on Teflon as fuel and Magneto Hydro Dynamic drive.

3529291 Synchronized sequence detector Claude W Brown (China Lake, US Navy), Dec 4, 1967,
                33 bit Barker Code Receiver (Wiki)

GPS

The GPS system has about 24 satellites in medium orbits (they are lower than geostationary) orbiting the Earth in three rings.
They transmit their orbital parameters.  By receiving the signals from four satellites a GPS receiver can figure out where it is and also the error in its clock.  If the receiver is in a known location only one GPS satellite is needed to know the time.  If more than 4 satellites are received the quality of the position fix improves.  It may be that 1/2 of the satellites are visible at a time and that's why there are twelve channel receivers.

Stanford Telecom 5001A Navstar Test Transmitter

In order to test GPS receivers before any satellites were in orbit, Stanford Telecommunications built a small number of GPS transmitters.  They later made custom chips for military GPS receivers.
I have heard from a former STI employee that these receivers were used to debug the large scale ICs STI made for GPS receivers.  In particular channel to channel timing skew.
AN/URN-502 Canadian Military GPS
This, large by today's standards, GPS receiver was built using different printed circuit boards for different functions and an OEM GPS receiver board made in Japan.
PSN-8 GPS receiver

Quantic Q5200/SM

This GPS Timing receiver was designed for military GPS timing and uses a couple of the Stanford Telecommunications GPS chips.  Needs a down converting antenna, if you know about the antenna, please let me know.
Garmin GPS III+
This hand held 12 channel GPS unit has a built in World map and bread crumb trail capability.  It can also average Lat and Lon but NOT altitude, mine is up to 3,051,294 averages today, and can go to 99,999,999.  This will take some time because the readings are one per second. It took about 35 days to get this far. I would take over 3 years to run out the counter.
Motorola GPS Oncore VP
These are 8 channel general purpose OEM receiver boards that I have in the evaluation version boxes.  They have timing accuracy in the 30 nS area when used in the known position mode where all the variables are applied to getting a good 1 Pulse Per Second.  Unfortunately they have been discontinued and there is not a replacement with the same very comprehensive capability. Synergy is where I purchased my VP+ units.
Motorola M12+ Timing
If the M12 has the same Motorola binary format differential correction output that is in the VP series (I most probably does) then it should be possible to place the antenna at a know location and using some math save the corrections for each satellite.  Then switch to rover mode and have those same corrections fed back into the receiver to correct it.  This is covered in a CSI patent, but they don't offer it in this format.  Note this is much different than "poor man's differential correction" since actual corrections are being made for each satellite, not just a Lat and Lon position correction.  The key limitation is the time from obtaining the differential correction and the time that most of the satellites set.  Note that GPS sats have a nominal 12 hour orbit so maybe 4 hours overhead.

PLGR Family

 - follow on after the Trimpacks, is a large hand held unit.

DAGR Family

Trimpack Family

p/n 14992-20 & 16768-20 AN/PSN-10 SLGR, Came out just in time for Desert Storm & Desert Shield, gulf wars.  Since these were L1 CA code receivers L1 was turned off for the Gulf wars, Desert Storm and Desert Shield.  Many of these can average Lat, Lon and altitude

GSM-336 GPS Test Set

 (@BPB Surplus) Anyone have info on what this set does?
Manuals
 TM 11-4920-297-12 Opertion and Maintenance Intermediate for
Navigation Set Test AN/GSM-336(V)1, 685-7539-001, (NSN 6625-01-319-7118),
Navigation Test Set AN/GSM-336(V)2, 685-7540-001, (6625-01-294-1941),
Navigation Test Set AN/GSM-336(V)3, 685-7541-001, (6625-01-317-4851)
 {TO 33D7-71-51-1; NAVAIR 16-30GSM336-1}

TM 11-4920-297-12P Illustrated Parts Breakdown for
Navigation Test Set AN/GSM- (NSN 6625-01-319-7118), 685-7539-001,
Navigation Test Set AN/GSM-336(V)2, (6625-01-294-1941), 685-7540-001,
Navigation Test Set AN/GSM-336(V)4, (6625-01-347-1757), 685-7540-020,
Navigation Test Set AN/GSM-336(V)3, (6625-01-317-4851), 685-7541-001
{TO 33D7-71-51-4; NAVAIR 16-30GSM336-2}

GPS Denied Navigation

A few months after a new GPS guided weapon system was introduced into the Ukraine war it would no longer work.  The main cause of the failure was the Russian jammer R-330Zh Zhitel (Wiki).  Flight Radar 24 has a map showing where GPS is being jammed based on ADS-B data.

There is now a search for new navigation methods that work without GPS.  I think inertial navigation will be part of all of these alternative systems, but it has the drift problem that will need to be solved with a method other than GPS.
Honeywell is looking into: Vision Aided, Celestial Aided RADAR Aided & Magnetic Anomaly Aided solutions (Honeywell).  They make a lot of INS systems.

A possible way to navigate would be to use LORAN-C (Wiki).  The signal at 100 kHz is extremely hard to jam.  A temporary system could be deployed in a manner similar to the Light Weight Beacon.

20090177398 Angles only navigation system, Mikhail Belenkii, Donald Bruns, Timothy Brinkley, George Kaplan, Trex Enterprises, 2009-07-09, - IMU plus Celestial nav - "Future aircraft will operate for long durations (from tens of minutes to several hours) at SuperSonic speeds (Mach 3 to Mach 5) and altitudes of 70,000 feet above ground level. There exists a strong possibility that such vehicles will not be able to rely upon GPS for the entire flight path. In some situations GPS may not be available." Cited by 38 patents

8072581 Laser range finding system using variable field of illumination flash lidar, Arlen E. Breiholz, Rockwell Collins, 2011-12-06, - "The present invention relates generally to measurement of distance to visual landmarks for applications including navigation and mapping, and more particularly navigation and mapping in a Global Positioning System (GPS) denied environment."

8315794 Method and system for GPS-denied navigation of unmanned aerial vehicles, Dennis W. Strelow, Alan B. Touchberry, Honeywell, 2012-11-20, - requires one UAV with good GPS.

10184799 Systems and methods for targeting objects of interest in denied GPS environments, Richard B. Guthrie, Boeing, 2019-01-22, - LRF similar to the Vector IV sights known landmarks and target.

11675026 Self-locating compass, Frederick Vosburgh, Archaius, (Archaus.net) 2023-06-13, - cites 34 patents - IMU + a Lorentz force (Wiki) detector operating on the Earth's magnetic field inside a Faraday Cage (Wiki).
WO2021146120 Magnetic velocity and position sensors, Frederick Vosburgh, Archaius, 2021-07-22, -

20240060779 GPS-denied geolocation, Dirk B. Warnaar, David H. Johnson, Applied Research Associates, 2024-02-22, -

Y Combinator: Theseus: GPS Denied Navigation for Drones - sensor is IMU and high resolution still camera assembly.  Processor is Raspberry Pi with Google Earth image on SD card.  I'm guessing the map is limited in area to match expected UAV flight path to allow more resolution.  Amazon has many 9-axis IMUs.
See reddit: How to do IMU and camera "sensor fusion" tracking? -

ANELLO Photonics.com - GNSS INS/ATAK Kit (GPS-denied environments) - based on their FO gyroscope
10731988 System architecture for integrated photonics optical gyroscopes, Mario Paniccia, Qing Tan, Anello Photonics (Anello Photonics.com), 2020-08-04, -

Miscellaneous

1069842 Device for recording the paths of ships, Hermann Anschuetz-Kaempfe, 1913-08-12, - an integrating ball is driven in two orthogonal axis, speed input from propeller, direction from magnetic or gyro compass.

References

NDRC Div 13, Vol 2B, Electronic Navigation Systems 1946 Declassified from SECRET Sep 23, 1960. - Starting with 2. Beacons & Interrogators, 3. Oboe, 4. Shoran, 5. Micro-H ... 24. AN/APN-34 Short-Range Approach System, 29. AN/APA-44 Ground-Position Indicator (GPI),
NDRC Div 14, Vol 1, RADAR: Summary Report and HARP Project, 1946 - Declassified from SECRET Sep 26, 1960.
NavList: - blog started 2010
ReedNaqvigation.com -
Defense Technical Information Center (DTIC): AD-785 549, History of U.S. Army Engineer Topographic Labratories (1920 to 1970), John T. Penningron, Nov 1973 (AD0785549.pdf) - Surveying page 63 (pdf pg 79),  Astronomical Position Finding (pg 66 (pdg pg 83) See Pendulum Astrolabe weighs 34 pounds; The David White 60 deg model replaced the 20 inch Transit.  The AF developed a 24" FL Zenith camera in 1941, but it weighed 180 pounds, so they tried a 12" FL Zenith camera.  The one made by David W. Mann was selected (weight 30 pounds).
1509899  Stop-watch mechanism, David W Mann, 1924-09-30, - short intervals, more precision
2206817 Precision spirit level, David W Mann, LS Starrett Co, 1940-07-02, - includes adjustment with graduated dial.
ASPRS Journal Sep 1950 - Research Committee, 19 pages - David W. Mann helped design the Fairchild Precision Camera Calibrator -  33 Collimators positioned at known angles; The Mann Comparator which measures distance up to 12 inches with micron increments.; K-40, K-37, Ballistic Cameras for tracking aircraft in the sky, Type N-9 Gun camera, Distributed Optical Axis Camera, Projection Printer, 35mm Recording Camera, Ortho Camera,

(1967 - 1978, ADA088805.pdf)

The Military Lensatic Compass -
Which Way North, Part IV - The Military Lensatic Compass -
History Revealed! Origins Of The Army Lensatic Compass -

MIL-PRF-1043N Performance Specification, Compass, Magnetic, Unmounted, Lensatic, Luminous, 5 Degree and 20 Mil Graduations, With Carrying Case - "This specification covers an induction-damped, lensatic, unmounted, magnetic compass, with 5 degree and 20 mil graduations, for individual use during day and nighttime."  This 1998 spec references the 1995 Magnetic model, so I expect there's a revised spec that uses the current magnetic model.  "... worldwide battlefield deployment"

Links

Surveying Patents -
GPS patents
Army Space Reference Text - 7-26  Characteristics of an Ideal Pos/Nav System -
" - same thing at FAS with proper formatting
Navigation mailing list -
American Society for Photogrammetry & Remote Sensing - Grids & Datums -
Back to Brooke's Products for Sale, Astronomy, CCD Astronomy, Sundials, Surveying, Time & FrequencyMilitary Information, Home page

page created: 20 Oct 2001.